Bonjour
Tout allait à peu près bien. Voilà maintenant un nouveau problème. Sur la 3200 gt les vitres se sont bloquées fermées à 90% l'une après l'autre (encore heureux que je puisse fermer la porte, car dans un premier temps une des vitres étaient super fermée ce qui empêche la fermeture de la porte) les fusibles 15 et 16 sont ok. J'ai débranché un moment la batterie puis rebranché... pas de changement. Les deux poussoirs électriques de vitre ne donnent aucune réaction. j'ai lu quelque part que pouvait être le relais vert côté pied conducteur (je vois sur l'image "italamec" 812 12v 184956 - Quelqu'un confirme ? Autre piste ? Merci de votre aide
3200 gt Vitres bloquées, fermées à 90%
- Dom3200
- V8
- Messages : 2164
- Inscription : ven. 18 mars 2016 16:11
- Localisation : 91
- Localisation : Essonne
Re: 3200 gt Vitres bloquées, fermées à 90%
Si la panne est arrivée en même temps sur les 2 vitres et que les boutons n actionnent plus rien en effet un relais semble une bonne piste.
3200 GT Juil 2001 / RACING Nov 1991
Re: 3200 gt Vitres bloquées, fermées à 90%
Oui merci mais quel est réellement le relais en question - en fait celui indiqué sur ce forum ne semble pas le bon (et que j'ai cité) auriez vous la référence du relais qui concerne les deux fenêtres ?
- Dom3200
- V8
- Messages : 2164
- Inscription : ven. 18 mars 2016 16:11
- Localisation : 91
- Localisation : Essonne
Re: 3200 gt Vitres bloquées, fermées à 90%
Désolé je ne sais pas. Quelqu un d autre?
3200 GT Juil 2001 / RACING Nov 1991
Re: 3200 gt Vitres bloquées, fermées à 90%
Alors, concernant les relais, ils ne servent pas à cela, non.

Les vitres sont gérées par leur propre contrôleur. Il y a une interaction entre l'ouverture des portes et les vitres (pour abaisser/relever à l'ouverture/fermeture), et par ailleurs le fonctionnement est modifié par la vitesse' ('au delà de 120kmh, plus d'ouverture complète en appuyant une fois pour éviter trop d'air d'un coup, bref, c'est un peu plus compliqué que juste un interrupteur comme sur les biturbo)
Si tu as bien vérifié le fusible 16 et que celui-ci n'a rien, il va falloir chercher un peu plus loin.
Les fusibles, ça peut toujours servir.


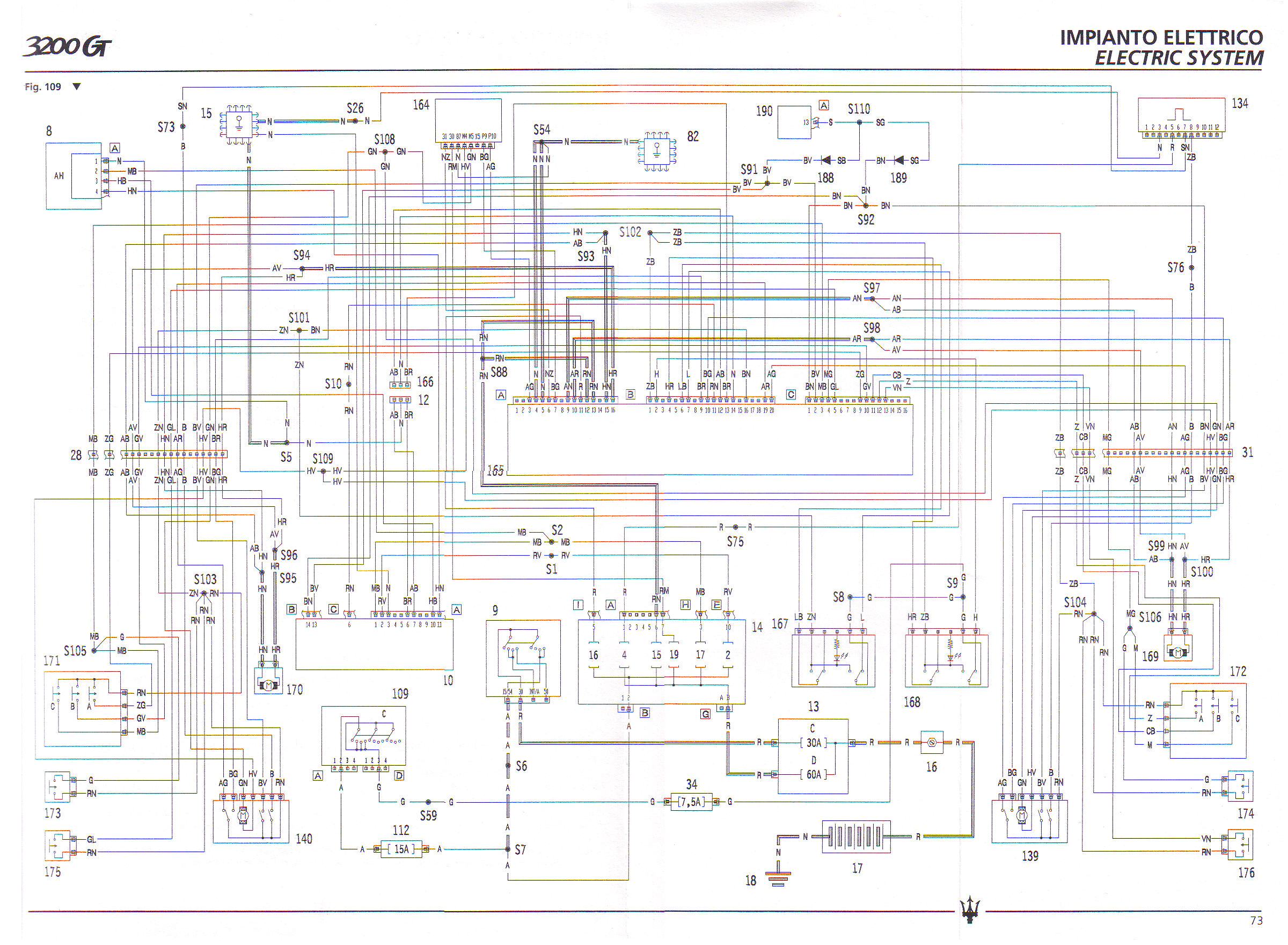
Ci-dessous, le diagramme de la partie "vitre électrique", et la légende associée.
Bonne recherche !

Les vitres sont gérées par leur propre contrôleur. Il y a une interaction entre l'ouverture des portes et les vitres (pour abaisser/relever à l'ouverture/fermeture), et par ailleurs le fonctionnement est modifié par la vitesse' ('au delà de 120kmh, plus d'ouverture complète en appuyant une fois pour éviter trop d'air d'un coup, bref, c'est un peu plus compliqué que juste un interrupteur comme sur les biturbo)
Si tu as bien vérifié le fusible 16 et que celui-ci n'a rien, il va falloir chercher un peu plus loin.
Les fusibles, ça peut toujours servir.


Ci-dessous, le diagramme de la partie "vitre électrique", et la légende associée.
Bonne recherche !
“What this button does is it turns carbon dioxide into noise.” J Clarkson
Merak - Biturbo SI - Shamal - Ghibli Cup 2800 - 3200GT AC - MC Victory
Merak - Biturbo SI - Shamal - Ghibli Cup 2800 - 3200GT AC - MC Victory
Re: 3200 gt Vitres bloquées, fermées à 90%
Merci à vous - en effet je ne pense pas aux fusibles et le côté relais n'est pas évident - par contre il y a une couteuse centrale au même endroit que les fusibles c'est le module de gestion des fenêtre électiques ECU 178708 - Il y a un gros flou là dessus - est ce que quelq'un a tester l'ECU 185888 à la place du 178708 - Ou bien a-t-il (t-elle) essayé de le faire réparer ?
Re: 3200 gt Vitres bloquées, fermées à 90%
178708 c'est le boitier plat bleu foncé en haut à gauche (sur le panneau fusibles plancher passager)
Re: 3200 gt Vitres bloquées, fermées à 90%
Plutôt noir d'ailleurs - et en effet c'était là l'origine de la panne. Boitier ECU changé problème réglé.robert a écrit :178708 c'est le boitier plat bleu foncé en haut à gauche (sur le panneau fusibles plancher passager)
Re: 3200 gt Vitres bloquées, fermées à 90%
Merci pour le retour d'exp 
Re: 3200 gt Vitres bloquées, fermées à 90%
Excellente nouvelle.
“What this button does is it turns carbon dioxide into noise.” J Clarkson
Merak - Biturbo SI - Shamal - Ghibli Cup 2800 - 3200GT AC - MC Victory
Merak - Biturbo SI - Shamal - Ghibli Cup 2800 - 3200GT AC - MC Victory
-
olive78
- 4 cylindres
- Messages : 460
- Inscription : mer. 5 janv. 2022 00:03
- Localisation : 78
- Localisation : Yvelines
Re: 3200 gt Vitres bloquées, fermées à 90%
Du coup, tu as remplacé le boitier par quelle référence et trouvée ou ? Ou bien tu l'as fait réparer ?
3200GTA de 2000, Blu Nettuno, Intérieur beige, 103000km au 21/12/2021, 107779km au retour de la sortie Reims 2025 ! 