Page 2 sur 2
Re: [aldolino] MA GHIBLI GT 1998
Publié : mar. 19 avr. 2011 10:46
par alpa
Merci.
Il y a bien des gens qui ont des Cup, on doit pouvoir trouver l'eprom, non ?
Sais-tu si la GT a les turbos a roulements a billes ? Ce sont des RHF ou des RHB ?
Re: [aldolino] MA GHIBLI GT 1998
Publié : mar. 19 avr. 2011 11:13
par aldolino
Si tu arrives à trouver les fichiers de la CUP , je suis preneur
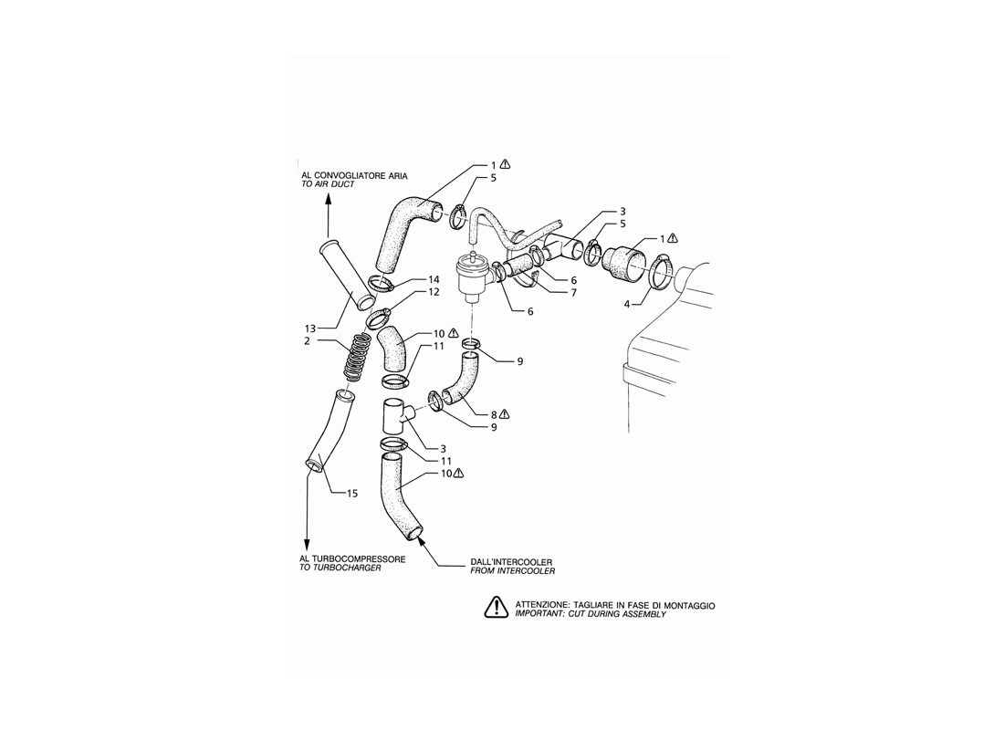
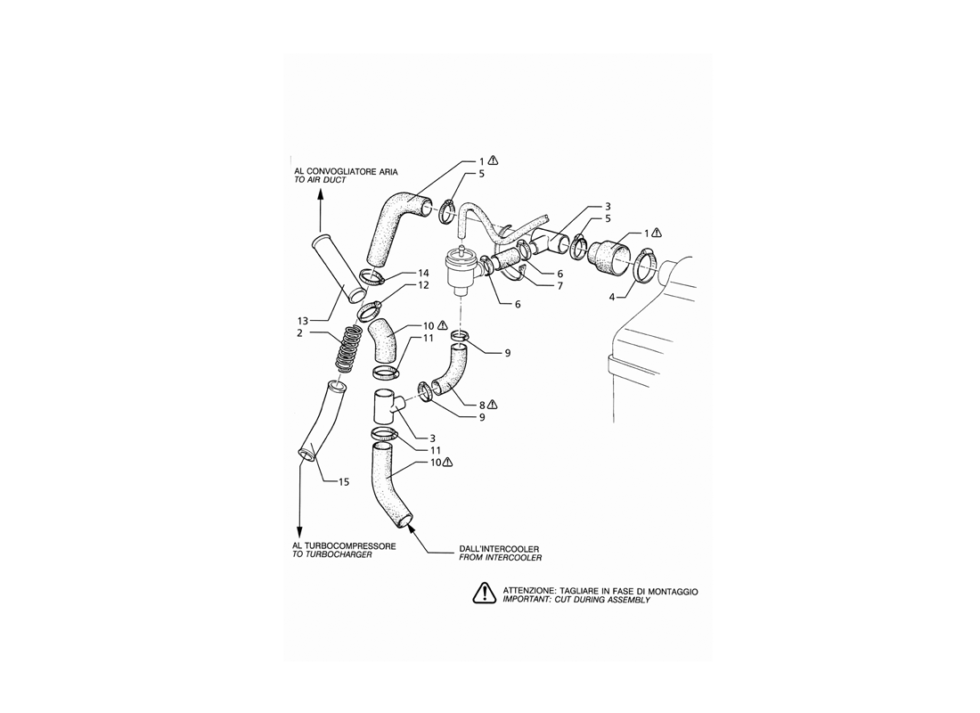
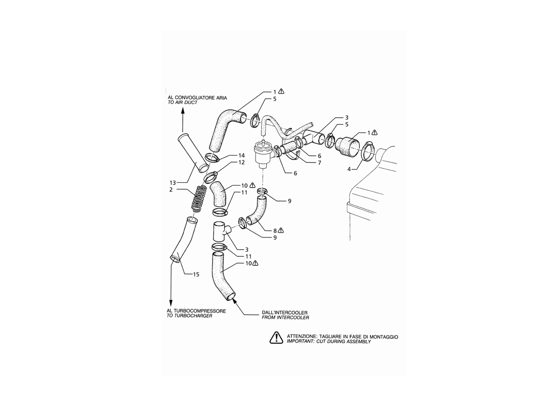
Malheureusement la GT a un turbo SANS roulement ( contrairement à la cup ).
Et sit u montes le trubo de la cup dans une gt il faut une grosse modif sur les durites d'admission d'air pour pouvoir faire fonctionner correctement le turbo à roulement.
voici la modif

- 041_004.gif (77.98 Kio) Consulté 5940 fois
Re: [aldolino] MA GHIBLI GT 1998
Publié : mar. 19 avr. 2011 11:46
par alpa
Sur le forum ICC il y a au moins une personne avec la Cup. Mais bon il faut ouvrir les boitiers.
Pierre Nallet n'a pas un boitier ed Cup en rab ?
La modif des durites d'admission c'est juste que Mase s'est appercu qu'ils ont merde avec l'endroit ou la DV est branchee. Ils l'avaient mise avant l'echangeur ce qui n'est pas bon. Sur la Cup ils ont mis comme il faut, apres l'echangeur, ca reduit le lag.
Ca n'a pas de rapport avec les ball bearing. Les ball bearing se montent directement a la place des normaux, meme sur les 18v. Par contre il faut reprogrammer les cartos, forcement.
Re: [aldolino] MA GHIBLI GT 1998
Publié : mer. 20 avr. 2011 09:14
par chatnoir6
Je l'ai vu récemment, c'est une très belle voiture !
Bienvenue sur le forum!
Re: [aldolino] MA GHIBLI GT 1998
Publié : mer. 20 avr. 2011 15:53
par alpa
D'apres eurospares les GT et QP4 ont les memes regulateurs de pression d'essence.
J'ai vu today dans les cahiers d'atelier de QP4 que l'essence est a 3.5bars, et pas a 3 bars. Je ne sais pas si c'est vrai mais en tout cas il y a plusieurs chiffres, par exemple au ralenti l'essence est a 3bars, ca corrobore avec les 3.5bars.
Donc a 1.5bars de boost la pression d'essence est a 5bars, pression max de la plupart des pompes a essence. La pompe des QP4 v6/v8 est une pompe simple, c'est la meme que dans les Alfa 164 v6. Le debit indique de la pompe est 120l/h, en theorie c'est juste pour 350ch, il n'y a aucune marge.
Conclusion: le matos est tres-tres juste pour 350ch, faut pas rester a fond la pedale pendant longtemps.
Re: [aldolino] MA GHIBLI GT 1998
Publié : mer. 20 avr. 2011 17:41
par aldolino
C'est effectivement le cas !!! Il n'y a plus aucune marge.
C'est le maxi maxi maxi à faire. Après il y aurait trop de modifs.
Pour revenir à la pression carburant d'après maset la pression est de 3 bars au ralenti ( depression branchée ) et 3,5 bars depression débranchée . Le tout moteur chaud.
Re: [aldolino] MA GHIBLI GT 1998
Publié : mer. 20 avr. 2011 17:58
par alpa
Je pense que ca craint du boudin. La pompe est a son max ce qui n'est pas bon, il faut laisser de la marge.