La gestion du boost.
- ghibli30
- V8
- Messages : 2100
- Inscription : dim. 4 sept. 2011 19:30
- Localisation : 6
- Localisation : Nice
Re: La gestion du boost.
La SEM est commandée directement par le calculateur, MABC pour les Biturbos, IAW pour les Ghiblis 2 et QP4.
- sebasto35
- V6
- Messages : 683
- Inscription : lun. 15 mai 2017 19:47
- Localisation : 35
- Localisation : Saint Malo
Re: La gestion du boost.
Merci pour ces explicationsghibli30 a écrit :Pourquoi les wastegates déchargent avant la SEM? Ce n'est pas exactement comme cela que se pose la question en fait.
Les wastegate sont tarées pour une pression par le constructeur du turbo. Par exemple 600 mBar (peu importe).
Si on veut plus de pression, il ne faut pas que les wastegates mesurent cette pression de 600 mBars. C'est le rôle de la SEM de faire "fuiter" une partie de la pression mesurée pour que les wastegates voient "moins".
En clair si la SEM fait fuiter la moité de la pression, lorsque les wastegates "voient" 600 mBars, la pression réelle dans l'admission es de 1,2 Bars.
Donc le rôle de la SEM est de tromper les wastegates, pour augmenter le boost.
Si la SEM est en panne, on revient au déclenchement de base sur les wastegates uniquement, déclenchement qui est assez bas, et on manque de pêche.

J ai repris les schémas et tout est clair à présent

Je pensais que les wastes gates étaient connectées directement au plenum d ou mon incomprehension...
En fait les waste gaste sont connectées au sem qui module la pression via l ecu.
Celui ci génère un train d onde (rapport cyclique) pour le contrôle du boost..

Re: La gestion du boost.
C’est sur la carbu, pas les injections.dd63 a écrit :La sécu est à 0,4 il me semble.
@Konimino2, c'est quoi cette bobine? Je ne l'ai pas sur les 2 Maz et ne l'ai pas trouvé sur les éclatés. C'est l'emplacement des relais moteur.![]()
C'est pas lié à ta modif champignon?
Re: La gestion du boost.
Ah oui pardon c'est la rouge, j'aurais dû capter… 
Bon ,faut te suivre , t'es sur tous les fronts


Bon ,faut te suivre , t'es sur tous les fronts


4.24v / Si 2500 / 222 SE
Re: La gestion du boost.
Comme la vanne sem.
Re: La gestion du boost.
Sur la 222, plus la bobine.
- ghibli30
- V8
- Messages : 2100
- Inscription : dim. 4 sept. 2011 19:30
- Localisation : 6
- Localisation : Nice
Re: La gestion du boost.
Trouvant que ma Ghibli manquait un poil de pêche, même s’il en restait, j’ai sorti les dumps. Verdict, si l’une des deux est peut-être encore un peu étanche ( il suffit de souffler dans la prise d’air d’admission, sur le dessus, rien ne doit passer), l’autre est directement sur la sortie, ça passe plein pot.
Donc du boost en moins.....
Globalement ces Bosch en plastique et caoutchouc il faut les changer sans chercher plus loin.
Donc du boost en moins.....
Globalement ces Bosch en plastique et caoutchouc il faut les changer sans chercher plus loin.
- ghibli30
- V8
- Messages : 2100
- Inscription : dim. 4 sept. 2011 19:30
- Localisation : 6
- Localisation : Nice
Re: La gestion du boost.
Après avoir passé quelques moments sur le sujet, et un peu réfléchi aussi, je me lance:
- La SEM ( nom du constructeur, Amal c’est la ville), fonctionne comme décrit maintes fois, mais je trouve quand même une étrangeté aux mesures de Gemini. Moteur coupé, pression atmo, aiguille vers 11 h, ok. Moteur au ralenti, 0,7 bar de dépression, aiguille en recul à 7-8h, ok. Moteur en pression limitée aux wastegates, disons + 0,7 bar par rapport à la pression atmo = forcément plus loin que 11h qui est la presssion atmo. Donc pas possible d’être au même endroit turbo soufflant que moteur coupé (11h). Si ça souffle même de manière limitée, SEM hors fonctionnement, c’est plus que l’atmo.
- Les dump, ou pop-off, ou BOV ( Blow-Off Valve) on a déjà décrit à quoi elles servent, mais quel ressort y mettre? Tous les vendeurs proposent 2, 3, ou 4 ressorts de dureté différentes, mais n’expliquent jamais comment les utiliser. Et sur les forums on trouve n’importe quoi. Eh bien non, le ressort n’a rien à voir avec la pression du turbo. Du moins directement. Pourquoi? Parce que vous avez remarqué le petit tuyau sur la dump? C’est une prise de pression sur l’admission pour que le piston travaille en pression DIFFÉRENTIELLE. Le piston est soumis en bas à la pression du turbo, et en haut à la pression de l’admission. Et vous savez quoi ? C’est la MÊME!
Donc en mode suralimentation nominale, le piston est en équipression et ne bouge pas même si le turbo pousse à 4 bars ou 10 bars. Alors comment ça s’ouvre? Tout simplement parce que lorsque je suis à 5000 tours plein turbo et que je ferme les papillons, l’admission descend probablement à -1 bar et la sortie du turbo monte à bien plus que 1 bar. Donc le piston est soumis à plus de 2 bar et il s’ouvre!!!
Alors on met un ressort pour s’assurer qu’au repos le piston plaque sur la sortie, et le plus faible possible ça suffit ? NON! Pourquoi? A cause du ralenti bien sûr. Au ralenti pas de turbo, pas de pression rien. Donc côté turbo 0 bar de surpression. Et dans l’admission, -0,7 bar. Et si le ressort ne tient pas les 0,7 bar, il va reculer et ouvrir la dump. Rien de grave mais c’est pas prévu. Donc quel ressort? Ben le plus faible possible qui tient le ralenti (0,7 pour la Ghibli). Plein pot il prendra 2 bars et il s’ouvrira toujours.
- La SEM ( nom du constructeur, Amal c’est la ville), fonctionne comme décrit maintes fois, mais je trouve quand même une étrangeté aux mesures de Gemini. Moteur coupé, pression atmo, aiguille vers 11 h, ok. Moteur au ralenti, 0,7 bar de dépression, aiguille en recul à 7-8h, ok. Moteur en pression limitée aux wastegates, disons + 0,7 bar par rapport à la pression atmo = forcément plus loin que 11h qui est la presssion atmo. Donc pas possible d’être au même endroit turbo soufflant que moteur coupé (11h). Si ça souffle même de manière limitée, SEM hors fonctionnement, c’est plus que l’atmo.
- Les dump, ou pop-off, ou BOV ( Blow-Off Valve) on a déjà décrit à quoi elles servent, mais quel ressort y mettre? Tous les vendeurs proposent 2, 3, ou 4 ressorts de dureté différentes, mais n’expliquent jamais comment les utiliser. Et sur les forums on trouve n’importe quoi. Eh bien non, le ressort n’a rien à voir avec la pression du turbo. Du moins directement. Pourquoi? Parce que vous avez remarqué le petit tuyau sur la dump? C’est une prise de pression sur l’admission pour que le piston travaille en pression DIFFÉRENTIELLE. Le piston est soumis en bas à la pression du turbo, et en haut à la pression de l’admission. Et vous savez quoi ? C’est la MÊME!
Donc en mode suralimentation nominale, le piston est en équipression et ne bouge pas même si le turbo pousse à 4 bars ou 10 bars. Alors comment ça s’ouvre? Tout simplement parce que lorsque je suis à 5000 tours plein turbo et que je ferme les papillons, l’admission descend probablement à -1 bar et la sortie du turbo monte à bien plus que 1 bar. Donc le piston est soumis à plus de 2 bar et il s’ouvre!!!
Alors on met un ressort pour s’assurer qu’au repos le piston plaque sur la sortie, et le plus faible possible ça suffit ? NON! Pourquoi? A cause du ralenti bien sûr. Au ralenti pas de turbo, pas de pression rien. Donc côté turbo 0 bar de surpression. Et dans l’admission, -0,7 bar. Et si le ressort ne tient pas les 0,7 bar, il va reculer et ouvrir la dump. Rien de grave mais c’est pas prévu. Donc quel ressort? Ben le plus faible possible qui tient le ralenti (0,7 pour la Ghibli). Plein pot il prendra 2 bars et il s’ouvrira toujours.
gemini a écrit :Si je me base sur mon expérience:mad max a écrit :sacrée doc![]()
la question de jusqu'où va l'aiguille est une question qui revient souvent.
A l'arrêt, moteur coupé entre 10 et 11h, correspond à la pression athmo.
Moteur tournant au ralenti, vers 8h.
Solénoide en panne/débranché; vers 10-11h en full boost.
Fonctionnement optimal: En full boost, bien dans le jaune (passé les deux tiers selon moi) avec un overboost au début du rouge (en tout cas, ma GT fonctionne ainsi).
Reste maintenant la question de la calibration du mano, aucune idée s'il s'agit d'une pièce de qualité ou s'il y a de grande variation de l'un à l'autre.
Re: La gestion du boost.
Avec l'autorisation d'Einar Sjaavik, que les utilisateurs de FB connaissent parce qu'il publie assez régulièrement dans le groupe Biturbo, je pose ici la traduction des explications qu'il avait rédigées dans son site à propos du MABC, il y a une vingtaine d'années, dont on peut trouver l'archive ici. https://web.archive.org/web/20130426184 ... /maserati/
Il connait le site et vient exercer sa compréhension du français.
Description générale
Le MABC est également connu sous le nom d'APC, mais c'est lorsqu'il est monté dans un SAAB. Ce système de contrôle adaptatif de suralimentation a été introduit par SAAB et fabriqué par Luxor à Motala, en Suède. Le MABC est presque le même que l'APC de première génération. Il est également construit en Suède. Les différences résident dans les logos Maserati gravés sur l'unité et dans certaines valeurs de composants.
Son but est d'essayer de maintenir la pression de suralimentation tout en protégeant le moteur du cognement désastreux qui se produira si la suralimentation est trop élevée pour les conditions dans lesquelles le moteur tourne à tout moment. Ces conditions comprennent l'indice d'octane du carburant et la température ambiante, ainsi qu'une gamme d'autres variables.
En théorie, le MABC vous permettrait de faire fonctionner n'importe quel carburant octane tout en gardant les performances aussi élevées que possible sans nuire au moteur. Je dis "en théorie" parce que ce n'est que partiellement réussi. Le même concept a été incorporé dans l'unité de commande d'allumage électronique équipée d'un microprocesseur fabriquée par Weber Marelli pour les modèles ultérieurs à injection de carburant. Dans ces unités, les calculs utilisés et la méthode pour éviter les coups sont beaucoup plus raffinés.
Capteurs et actionneurs.
Capteur de pression du collecteur. (INPUT)
Ce capteur mesure la pression dans le collecteur d'admission. Si le papillon est grand ouvert, cette pression peut devenir positive, ou en d'autres termes supérieure à la pression ambiante. Ceci est différent d'une voiture à aspiration normale, où il sera toujours plus bas que la température ambiante. Notez que c'est la pression après les papillons du carburateur, et peut donc être beaucoup plus basse que la pression de suralimentation actuelle. Lorsque le papillon est fermé, la pression du collecteur sera inférieure à la pression atmosphérique, quelle que soit la hauteur de la suralimentation en ce moment.
"Capteur" de régime moteur. (INPUT)
Le régime moteur n'est pas mesuré par un capteur en tant que tel. Il est calculé à partir de la fréquence des impulsions d'allumage qui sont prélevées sur l'amplificateur d'allumage de la même manière qu'un compte-tours électronique.
Détecteur de cliquetis. (INPUT)
Il s'agit d'un microphone piézoélectrique intégré dans un goujon métallique qui est boulonné au bloc au bas du «V». Il est monté directement sur l'un des paliers de manivelle, qui sera une zone fortement affectée par les ondes de choc résultant du cognement du moteur. Comme ces ondes de choc sont identiques à un son, un microphone est un bon capteur pour le capter. N'oubliez pas qu'il captera également tous les autres sons présents dans le bloc moteur. Nous y reviendrons plus tard.
Après avoir lu la description générale, vous ne serez peut-être pas surpris d'apprendre qu'un capteur de cognement SAAB s'adaptera au BiTurbo et fonctionnera comme il est censé le faire.
Solénoïde de contrôle de suralimentation. (INPUT)
Il s'agit d'une électrovanne d'air qui purgera la pression de suralimentation vers le filtre à air ou la dirigera vers les vannes de décharge, selon qu'elle soit alimentée ou non. Puisqu'il n'a que deux états possibles, il est pulsé par l'unité de contrôle MABC. Cela exploite la lenteur de la réaction mécanique du solénoïde pour le positionner dans des états entre ON et OFF, et ainsi obtenir une vanne à variation continue à partir de ce simple solénoïde. Il y a environ 16 impulsions / seconde, et la durée pendant laquelle il est excité pendant chaque intervalle de 1 / 16sec déterminera la position de cette vanne. C'est ce que vous entendez comme un «cliquetis» le moteur à 2000 tr / min, et bien que certains propriétaires pensent que quelque chose ne va pas, c'est tout à fait normal.
Relais de survitesse. (OUTPUT)
Ce relais est utilisé par le boîtier de commande pour désactiver l'allumage s'il détermine que le régime est supérieur à une limite définie.
Port de diagnostic. (INPUT OUTPUT)
L'unité de contrôle dispose également d'une fonction de détection des pannes. Il multipliera l'entrée du microphone par 100 et prendra la valeur absolue de celle-ci. Ce signal n'est pas filtré comme le signal de cliquetis. Si le résultat est inférieur à une limite définie, il établira un signal interne indiquant à l'unité de sortie que quelque chose ne va pas, et il vaut mieux abaisser l'amplification pour être du bon côté.
Unité de contrôle MABC.
Cet appareil électronique est un ordinateur analogique. À notre époque des ordinateurs numériques, cela peut sembler un peu étrange, mais de tels appareils ne sont pas aussi rares que vous pourriez le croire. Une chose que vous devez savoir est qu'il n'y a pas de puces EPROM dans cet appareil, donc si quelqu'un essaie de vous vendre un "chipstuning" pour cet appareil, vous devriez lui demander d'aller vendre de l'huile de serpent à la place.
L'une des fonctionnalités principales est l'unité d'addition qui prend plusieurs variables comme entrées, les additionne et donne une sortie qui est utilisée pour la comparaison avec une valeur définie. Cette comparaison sera à tout moment une représentation du "niveau de contrainte" imposé au moteur par rapport au niveau acceptable réglé en usine. S'il est dépassé, le circuit de sortie recevra des instructions pour réduire la contrainte en abaissant la pression de suralimentation.
L'amplificateur de cliquetis multiplie l'entrée du microphone par 10, filtre les hautes et basses fréquences, prend la valeur absolue du résultat et l'envoie comme une entrée à l'unité d'addition. L'effet est que plus de cognement du moteur s'ajoutera au niveau de contrainte calculé. Le filtrage éliminera les vibrations basses et hautes fréquences qui, lors du développement de l'unité de commande, ont été déterminées non pas comme le résultat d'un cognement du moteur mais d'autres bruits de moteur.
Une partie du circuit de détection de vitesse prend la valeur instantanée du régime du moteur, l'inverse et l'envoie comme une autre entrée à l'unité d'addition. L'effet est qu'un régime plus élevé abaisse le niveau de contrainte calculé.
Une autre partie du circuit de détection de vitesse trouvera le changement de régime du moteur, l'inversera et l'enverra comme entrée à l'unité d'addition. L'effet est qu'une accélération rapide abaisse le niveau de contrainte calculé. Cela a du sens, car la situation est susceptible de changer très rapidement à mesure que le régime augmente. Plus l'accélération est rapide, plus il est tolérant de frapper.
Le niveau d'amplification est mis à l'échelle et envoyé comme entrée à l'unité d'addition. L'effet est qu'une faible pression du collecteur d'admission abaisse le niveau de contrainte calculé. Il n'y a aucune raison de réduire la suralimentation si la pression d'admission est déjà basse.
Le circuit de sortie utilisera le rapport entre le niveau de stress perçu instantané et la valeur préréglée pour décider s'il doit réduire la suralimentation ou non. Et si c'est le cas, de combien. Il dispose également d'un dispositif de chronométrage qui démarrera si le rapport de niveau de contrainte est élevé. Cette minuterie empêchera d'augmenter le suralimentation pendant une courte période après qu'il a été déterminé que la contrainte du moteur était beaucoup trop élevée. Cela évite de "balancer" le niveau de suralimentation de haut en bas, ce qui rendrait la voiture très déconcertante à conduire.
L'unité de contrôle dispose également d'une fonction de détection des pannes. Il multipliera l'entrée du microphone par 100 et prendra la valeur absolue de celle-ci. Ce signal n'est pas filtré comme le signal de cliquetis. Si le résultat est inférieur à une limite définie, il établira un signal interne indiquant à l'unité de sortie que quelque chose ne va pas, et il vaut mieux abaisser l'amplification pour être du bon côté. Le raisonnement ici est que s'il n'y a pas de bruit de fond à entendre dans le bloc moteur, le microphone ou ses connexions doivent être défectueux et on ne peut pas s'y fier.
Une sortie du circuit de détection de régime moteur est comparée à une limite préréglée en usine. S'il est trouvé trop haut, il coupera simplement le contact pour éviter que le moteur ne tourne trop. Ce circuit a un peu de retard intégré. Cela permet un régime moteur un peu plus élevé lors d'une accélération rapide qu'en continu. Ce décalage est une fonction linéaire, ce qui signifie que si le moteur n'a pas de résistance comme lorsque vous manquez un rapport, le régime sera autorisé à augmenter considérablement plus haut que le niveau prédéfini avant que le moteur ne soit coupé. Cela signifie que vous pourriez endommager le moteur si vous le sabotez sans charge. Alors ne laissez pas le limiteur de régime s'occuper de la protection contre les surcharges, c'est en fait votre propre responsabilité.
Quand quelque chose ne va pas.
Boost faible.
Si vous constatez que le niveau de suralimentation n'augmente jamais jusqu'au début de la zone jaune de votre indicateur de suralimentation, la première chose à soupçonner est le microphone de frappe ou la connexion entre celui-ci et le boîtier de commande. Vérifiez d'abord la fiche / prise dans le compartiment moteur.
Si vous remplacez le microphone du capteur de cognement, veillez à ne pas appliquer trop de force lors du dévissage. Cela semble très robuste, mais il n'y a en fait qu'un boulon de 8 mm au centre, et avec un col en retrait aussi. Il se casse facilement et sortir le stub restant du bloc n'est pas une tâche facile. S'il ne sort pas facilement, vous devriez d'abord le faire vérifier pour voir s'il est vraiment endommagé.
Boost va et vient.
Si vos vannes ne sont pas correctement réglées, le bruit qui en émane ne sera pas perceptible en raison du cliquetis de l'unité de commande, et cela réduira le suralimentation en conséquence. Dans ce cas, cela ne peut arriver que de temps en temps, contrairement au cas d'un microphone cassé.
Voir également le paragraphe précédent.
Si les actionneurs de wastegate ne sont pas correctement réglés, cela peut entraîner une confusion pour le MABC et des résultats étranges peuvent en découler. Si des tentatives d'augmentation du boost en altérant les vannes de décharge sont faites, le MABC doit être recalibré pour obtenir à nouveau un système qui fonctionne correctement. Certainement pas une tâche pour les non-initiés.
Bruit de claquement dans la chambre moteur.
Lorsque vous avez des cliquements dans la zone du moteur, en particulier à 2000 tr / min, gardez votre calme. Ce n'est pas le signe que quelque chose ne va pas, c'est juste le solénoïde de suralimentation au travail.
Il connait le site et vient exercer sa compréhension du français.
Description générale
Le MABC est également connu sous le nom d'APC, mais c'est lorsqu'il est monté dans un SAAB. Ce système de contrôle adaptatif de suralimentation a été introduit par SAAB et fabriqué par Luxor à Motala, en Suède. Le MABC est presque le même que l'APC de première génération. Il est également construit en Suède. Les différences résident dans les logos Maserati gravés sur l'unité et dans certaines valeurs de composants.
Son but est d'essayer de maintenir la pression de suralimentation tout en protégeant le moteur du cognement désastreux qui se produira si la suralimentation est trop élevée pour les conditions dans lesquelles le moteur tourne à tout moment. Ces conditions comprennent l'indice d'octane du carburant et la température ambiante, ainsi qu'une gamme d'autres variables.
En théorie, le MABC vous permettrait de faire fonctionner n'importe quel carburant octane tout en gardant les performances aussi élevées que possible sans nuire au moteur. Je dis "en théorie" parce que ce n'est que partiellement réussi. Le même concept a été incorporé dans l'unité de commande d'allumage électronique équipée d'un microprocesseur fabriquée par Weber Marelli pour les modèles ultérieurs à injection de carburant. Dans ces unités, les calculs utilisés et la méthode pour éviter les coups sont beaucoup plus raffinés.
Capteurs et actionneurs.
Capteur de pression du collecteur. (INPUT)
Ce capteur mesure la pression dans le collecteur d'admission. Si le papillon est grand ouvert, cette pression peut devenir positive, ou en d'autres termes supérieure à la pression ambiante. Ceci est différent d'une voiture à aspiration normale, où il sera toujours plus bas que la température ambiante. Notez que c'est la pression après les papillons du carburateur, et peut donc être beaucoup plus basse que la pression de suralimentation actuelle. Lorsque le papillon est fermé, la pression du collecteur sera inférieure à la pression atmosphérique, quelle que soit la hauteur de la suralimentation en ce moment.
"Capteur" de régime moteur. (INPUT)
Le régime moteur n'est pas mesuré par un capteur en tant que tel. Il est calculé à partir de la fréquence des impulsions d'allumage qui sont prélevées sur l'amplificateur d'allumage de la même manière qu'un compte-tours électronique.
Détecteur de cliquetis. (INPUT)
Il s'agit d'un microphone piézoélectrique intégré dans un goujon métallique qui est boulonné au bloc au bas du «V». Il est monté directement sur l'un des paliers de manivelle, qui sera une zone fortement affectée par les ondes de choc résultant du cognement du moteur. Comme ces ondes de choc sont identiques à un son, un microphone est un bon capteur pour le capter. N'oubliez pas qu'il captera également tous les autres sons présents dans le bloc moteur. Nous y reviendrons plus tard.
Après avoir lu la description générale, vous ne serez peut-être pas surpris d'apprendre qu'un capteur de cognement SAAB s'adaptera au BiTurbo et fonctionnera comme il est censé le faire.
Solénoïde de contrôle de suralimentation. (INPUT)
Il s'agit d'une électrovanne d'air qui purgera la pression de suralimentation vers le filtre à air ou la dirigera vers les vannes de décharge, selon qu'elle soit alimentée ou non. Puisqu'il n'a que deux états possibles, il est pulsé par l'unité de contrôle MABC. Cela exploite la lenteur de la réaction mécanique du solénoïde pour le positionner dans des états entre ON et OFF, et ainsi obtenir une vanne à variation continue à partir de ce simple solénoïde. Il y a environ 16 impulsions / seconde, et la durée pendant laquelle il est excité pendant chaque intervalle de 1 / 16sec déterminera la position de cette vanne. C'est ce que vous entendez comme un «cliquetis» le moteur à 2000 tr / min, et bien que certains propriétaires pensent que quelque chose ne va pas, c'est tout à fait normal.
Relais de survitesse. (OUTPUT)
Ce relais est utilisé par le boîtier de commande pour désactiver l'allumage s'il détermine que le régime est supérieur à une limite définie.
Port de diagnostic. (INPUT OUTPUT)
L'unité de contrôle dispose également d'une fonction de détection des pannes. Il multipliera l'entrée du microphone par 100 et prendra la valeur absolue de celle-ci. Ce signal n'est pas filtré comme le signal de cliquetis. Si le résultat est inférieur à une limite définie, il établira un signal interne indiquant à l'unité de sortie que quelque chose ne va pas, et il vaut mieux abaisser l'amplification pour être du bon côté.
Unité de contrôle MABC.
Cet appareil électronique est un ordinateur analogique. À notre époque des ordinateurs numériques, cela peut sembler un peu étrange, mais de tels appareils ne sont pas aussi rares que vous pourriez le croire. Une chose que vous devez savoir est qu'il n'y a pas de puces EPROM dans cet appareil, donc si quelqu'un essaie de vous vendre un "chipstuning" pour cet appareil, vous devriez lui demander d'aller vendre de l'huile de serpent à la place.
L'une des fonctionnalités principales est l'unité d'addition qui prend plusieurs variables comme entrées, les additionne et donne une sortie qui est utilisée pour la comparaison avec une valeur définie. Cette comparaison sera à tout moment une représentation du "niveau de contrainte" imposé au moteur par rapport au niveau acceptable réglé en usine. S'il est dépassé, le circuit de sortie recevra des instructions pour réduire la contrainte en abaissant la pression de suralimentation.
L'amplificateur de cliquetis multiplie l'entrée du microphone par 10, filtre les hautes et basses fréquences, prend la valeur absolue du résultat et l'envoie comme une entrée à l'unité d'addition. L'effet est que plus de cognement du moteur s'ajoutera au niveau de contrainte calculé. Le filtrage éliminera les vibrations basses et hautes fréquences qui, lors du développement de l'unité de commande, ont été déterminées non pas comme le résultat d'un cognement du moteur mais d'autres bruits de moteur.
Une partie du circuit de détection de vitesse prend la valeur instantanée du régime du moteur, l'inverse et l'envoie comme une autre entrée à l'unité d'addition. L'effet est qu'un régime plus élevé abaisse le niveau de contrainte calculé.
Une autre partie du circuit de détection de vitesse trouvera le changement de régime du moteur, l'inversera et l'enverra comme entrée à l'unité d'addition. L'effet est qu'une accélération rapide abaisse le niveau de contrainte calculé. Cela a du sens, car la situation est susceptible de changer très rapidement à mesure que le régime augmente. Plus l'accélération est rapide, plus il est tolérant de frapper.
Le niveau d'amplification est mis à l'échelle et envoyé comme entrée à l'unité d'addition. L'effet est qu'une faible pression du collecteur d'admission abaisse le niveau de contrainte calculé. Il n'y a aucune raison de réduire la suralimentation si la pression d'admission est déjà basse.
Le circuit de sortie utilisera le rapport entre le niveau de stress perçu instantané et la valeur préréglée pour décider s'il doit réduire la suralimentation ou non. Et si c'est le cas, de combien. Il dispose également d'un dispositif de chronométrage qui démarrera si le rapport de niveau de contrainte est élevé. Cette minuterie empêchera d'augmenter le suralimentation pendant une courte période après qu'il a été déterminé que la contrainte du moteur était beaucoup trop élevée. Cela évite de "balancer" le niveau de suralimentation de haut en bas, ce qui rendrait la voiture très déconcertante à conduire.
L'unité de contrôle dispose également d'une fonction de détection des pannes. Il multipliera l'entrée du microphone par 100 et prendra la valeur absolue de celle-ci. Ce signal n'est pas filtré comme le signal de cliquetis. Si le résultat est inférieur à une limite définie, il établira un signal interne indiquant à l'unité de sortie que quelque chose ne va pas, et il vaut mieux abaisser l'amplification pour être du bon côté. Le raisonnement ici est que s'il n'y a pas de bruit de fond à entendre dans le bloc moteur, le microphone ou ses connexions doivent être défectueux et on ne peut pas s'y fier.
Une sortie du circuit de détection de régime moteur est comparée à une limite préréglée en usine. S'il est trouvé trop haut, il coupera simplement le contact pour éviter que le moteur ne tourne trop. Ce circuit a un peu de retard intégré. Cela permet un régime moteur un peu plus élevé lors d'une accélération rapide qu'en continu. Ce décalage est une fonction linéaire, ce qui signifie que si le moteur n'a pas de résistance comme lorsque vous manquez un rapport, le régime sera autorisé à augmenter considérablement plus haut que le niveau prédéfini avant que le moteur ne soit coupé. Cela signifie que vous pourriez endommager le moteur si vous le sabotez sans charge. Alors ne laissez pas le limiteur de régime s'occuper de la protection contre les surcharges, c'est en fait votre propre responsabilité.
Quand quelque chose ne va pas.
Boost faible.
Si vous constatez que le niveau de suralimentation n'augmente jamais jusqu'au début de la zone jaune de votre indicateur de suralimentation, la première chose à soupçonner est le microphone de frappe ou la connexion entre celui-ci et le boîtier de commande. Vérifiez d'abord la fiche / prise dans le compartiment moteur.
Si vous remplacez le microphone du capteur de cognement, veillez à ne pas appliquer trop de force lors du dévissage. Cela semble très robuste, mais il n'y a en fait qu'un boulon de 8 mm au centre, et avec un col en retrait aussi. Il se casse facilement et sortir le stub restant du bloc n'est pas une tâche facile. S'il ne sort pas facilement, vous devriez d'abord le faire vérifier pour voir s'il est vraiment endommagé.
Boost va et vient.
Si vos vannes ne sont pas correctement réglées, le bruit qui en émane ne sera pas perceptible en raison du cliquetis de l'unité de commande, et cela réduira le suralimentation en conséquence. Dans ce cas, cela ne peut arriver que de temps en temps, contrairement au cas d'un microphone cassé.
Voir également le paragraphe précédent.
Si les actionneurs de wastegate ne sont pas correctement réglés, cela peut entraîner une confusion pour le MABC et des résultats étranges peuvent en découler. Si des tentatives d'augmentation du boost en altérant les vannes de décharge sont faites, le MABC doit être recalibré pour obtenir à nouveau un système qui fonctionne correctement. Certainement pas une tâche pour les non-initiés.
Bruit de claquement dans la chambre moteur.
Lorsque vous avez des cliquements dans la zone du moteur, en particulier à 2000 tr / min, gardez votre calme. Ce n'est pas le signe que quelque chose ne va pas, c'est juste le solénoïde de suralimentation au travail.
- FinkBrau
- V8
- Messages : 1309
- Inscription : sam. 7 nov. 2020 17:17
- Localisation : 57
- Localisation : Metz
Re: La gestion du boost.
Et quand on a trop de boost ça vient de quoi ?
Voir le sujet sur le BTIM, j’ai un boost qui monte jusqu’à 230-235 kPa suivant le BTIM, et après vérification avec la SEM déconnectée je plafonne à 170 contre 140-150 normalement...
Voir le sujet sur le BTIM, j’ai un boost qui monte jusqu’à 230-235 kPa suivant le BTIM, et après vérification avec la SEM déconnectée je plafonne à 170 contre 140-150 normalement...
'93 Ghibli II 2,0 L Dazing Black
-
- 4 cylindres
- Messages : 396
- Inscription : lun. 5 sept. 2016 18:03
- Localisation : 0
Re: La gestion du boost.

Peut être ton écu qui a été modifiéFinkBrau a écrit :Et quand on a trop de boost ça vient de quoi ?
Voir le sujet sur le BTIM, j’ai un boost qui monte jusqu’à 230-235 kPa suivant le BTIM, et après vérification avec la SEM déconnectée je plafonne à 170 contre 140-150 normalement...
Maserati 2.24v
Maserati 4.24v
Maserati 4.24v
-
En ligne
- W16
- Messages : 8678
- Inscription : lun. 20 juin 2011 23:01
- Localisation : Hainaut, Belgique
Re: La gestion du boost.
Ou les restricteurs dans la sem qui ont été déplacés/modifés.
“What this button does is it turns carbon dioxide into noise.” J Clarkson
Merak - Biturbo SI - Shamal - Ghibli Cup 2800 - 3200GT AC - MC Victory
Merak - Biturbo SI - Shamal - Ghibli Cup 2800 - 3200GT AC - MC Victory
- FinkBrau
- V8
- Messages : 1309
- Inscription : sam. 7 nov. 2020 17:17
- Localisation : 57
- Localisation : Metz
Re: La gestion du boost.
L'ECU je ne pense pas car j'ai installé un BTIM avec l'EPROM qui va bien.
Si je comprends bien les explications du mode d'emploi du BTIM, c'est les wastegates qui limitent la pression à 150 kPa lorsque la SEM est désactivée, or je suis à 170 kPa.
Donc ce seraient mes wastegates qui seraient mal réglées ? Comment le vérifier, et les régler à la bonne valeur le cas échéant ?
Si je comprends bien les explications du mode d'emploi du BTIM, c'est les wastegates qui limitent la pression à 150 kPa lorsque la SEM est désactivée, or je suis à 170 kPa.
Donc ce seraient mes wastegates qui seraient mal réglées ? Comment le vérifier, et les régler à la bonne valeur le cas échéant ?
'93 Ghibli II 2,0 L Dazing Black
- FinkBrau
- V8
- Messages : 1309
- Inscription : sam. 7 nov. 2020 17:17
- Localisation : 57
- Localisation : Metz
Re: La gestion du boost.
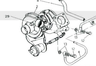
Bon à priori si j'en crois internet la pré-contrainte des wastegates se fait en agissant sur le tirant en bas à droite du turbo.
Reste à savoir dans quel sens tourner, et de combien. Si mon "problème" vient bien de là.'93 Ghibli II 2,0 L Dazing Black
Re: La gestion du boost.
J’ai regardé vite fait, il y a un fil là dessus. Avec Alpa Maseralfa ou Quentin qui explique.
Regarde sur le fil spider de Maseralfa. Je ne sais plus quel nom il avait donné.
Regarde sur le fil spider de Maseralfa. Je ne sais plus quel nom il avait donné.
-
- 4 cylindres
- Messages : 396
- Inscription : lun. 5 sept. 2016 18:03
- Localisation : 0
Re: La gestion du boost.

Sur le fil de l'araignée, mais aucun rapport son wastergate était ouvert d'où le manque de puissance,
Je ne crois pas que le wastergate bloqué puisse créer une surpression qui font monter le booster à 230kpa, l'écu devrait couper avant ?
Maserati 2.24v
Maserati 4.24v
Maserati 4.24v
- FinkBrau
- V8
- Messages : 1309
- Inscription : sam. 7 nov. 2020 17:17
- Localisation : 57
- Localisation : Metz
Re: La gestion du boost.
En gros j'ai 30 kPa de boost "en trop", même quand l'ECU ne régule pas car SEM débranchée.Maserati2.24v a écrit :à Fred,
Sur le fil de l'araignée, mais aucun rapport son wastergate était ouvert d'où le manque de puissance,
Je ne crois pas que le wastergate bloqué puisse créer une surpression qui font monter le booster à 230kpa, l'écu devrait couper avant ?
'93 Ghibli II 2,0 L Dazing Black
- sebasto35
- V6
- Messages : 683
- Inscription : lun. 15 mai 2017 19:47
- Localisation : 35
- Localisation : Saint Malo
Re: La gestion du boost.
Membrane des waste gate plus étanche? Donc plus de décharge possible...
- FinkBrau
- V8
- Messages : 1309
- Inscription : sam. 7 nov. 2020 17:17
- Localisation : 57
- Localisation : Metz
Re: La gestion du boost.
Et comment l'ECU comprends la valeur du boost ? En relatif ou en absolu ?
Parce que si c'est en absolu, alors quand la SEM est branchée il devrait réguler plus pour limiter la valeur max, non ?
Parce que si c'est en absolu, alors quand la SEM est branchée il devrait réguler plus pour limiter la valeur max, non ?
'93 Ghibli II 2,0 L Dazing Black