Page 1 sur 2
[aldolino] MA GHIBLI GT 1998
Publié : sam. 9 avr. 2011 22:15
par aldolino
Bonjour à tous, voici quelques photos de ma ghibli GT.
C'est une version 2litres de 1998 ( donc les toutes dernières productions ) avec une petite prépa ( juste les eproms et les décatalyseurs ) qui la propulse a env. 350 cv.
Pour le reste tout est d'origine avec 67000 kms.
Voili voilou!!
Re: MA GHIBLIO GT 1998
Publié : sam. 9 avr. 2011 22:56
par mad max
Bienvenue.
Par contre, je suis désolé mais je ne vois pas l'intérêt de la prépa.
Re: [aldolino] MA GHIBLI GT 1998
Publié : lun. 11 avr. 2011 11:10
par Gun
J'ai édité ton message pour rendre les photos plus visibles.
Re: [aldolino] MA GHIBLI GT 1998
Publié : mar. 12 avr. 2011 09:38
par aldolino
en réponse à steph 69, sa couleur est verde tundra ( c'est un vert pailleté qui reflète suivant la luminosité du vert, du noir ou du bleu ).
en réponse à mad max, l'intêret de la prépa c'est de se rapprocher du couple de la 2.8 avec la puissance du 2.0 à haut régime puisque le défaut du 2.0 c'est d'avir un trou énorme jusqu'à 3.000 tours et le défaut du 2.8 c'est d'être creux à haut régime.
Re: [aldolino] MA GHIBLI GT 1998
Publié : ven. 15 avr. 2011 12:06
par Trid
aldolino a écrit :en réponse à steph 69, sa couleur est verde tundra ( c'est un vert pailleté qui reflète suivant la luminosité du vert, du noir ou du bleu ).
en réponse à mad max, l'intêret de la prépa c'est de se rapprocher du couple de la 2.8 avec la puissance du 2.0 à haut régime puisque le défaut du 2.0 c'est d'avir un trou énorme jusqu'à 3.000 tours et le défaut du 2.8 c'est d'être creux à haut régime.
Bien vu

Re: [aldolino] MA GHIBLI GT 1998
Publié : lun. 18 avr. 2011 16:23
par alpa
C'est quoi comme prepa ?
Les 350ch sont mesures ?
Il y a vraiment davantage de couple en bas ?
Est-ce que les injecteurs sont d'origine ?
Re: [aldolino] MA GHIBLI GT 1998
Publié : lun. 18 avr. 2011 17:11
par aldolino
J'ai pas voulu me lancer dans une GROSSE prépa donc les injecteurs sont d'origine, le débit des injecteurs est au maximum, l'avance d'allumage est réduite en rapport au débit des injecteurs et la pression de turbo augmenté à 1,5 bars.
LA pression d'alimentation carburant reste inchangé ( soit 3 bars ).
Les 350 cv ne sont pas mesurés ( car je n'est pas eu le temps de m'en occuper ) mais la différence est flagrante.
Le couple est vraiment plus bas et est beaucoup plus important.
Re: [aldolino] MA GHIBLI GT 1998
Publié : lun. 18 avr. 2011 17:15
par aldolino
Cependant, l'idéal est de récupérer la cartographie de la version CUP.
Moins puissante mais une pression de turbo moins grosse.
Le problème c'est de récupérer les fichiers de la cup ( PAS EVIDENT )
Re: [aldolino] MA GHIBLI GT 1998
Publié : lun. 18 avr. 2011 17:15
par alpa
T'as reprogramme l'eprom ?
Re: [aldolino] MA GHIBLI GT 1998
Publié : lun. 18 avr. 2011 17:59
par aldolino
oui
Re: [aldolino] MA GHIBLI GT 1998
Publié : lun. 18 avr. 2011 18:03
par alpa
aldolino a écrit :oui
Tu peux preciser STP ?
Re: [aldolino] MA GHIBLI GT 1998
Publié : lun. 18 avr. 2011 18:20
par aldolino
Steph69 a écrit :aldolino a écrit :la pression de turbo augmenté à 1,5 bars

Quelle est la pression d'origine sur le V6 2.0 du Ghibli ? 1.5 bar, c'est beaucoup.
Stéphane
La pression d'origine est de 1.1 bars.
La pression de 1,5 bars n'est pas énorme car pour info ces turbos ( les IHI ) sont montés sur fiat punto GT turbo et ils montent facilement jusqu'à 1,7 bars.
Par contre sur la ghibli la pression maxi est de 1,5 bars puisque au delà les injecteurs ne suivront pas.
Re: [aldolino] MA GHIBLI GT 1998
Publié : lun. 18 avr. 2011 18:21
par aldolino
alpa a écrit :aldolino a écrit :oui
Tu peux preciser STP ?
Que veux tu comme précision ?
Re: [aldolino] MA GHIBLI GT 1998
Publié : lun. 18 avr. 2011 22:32
par alpa
aldolino a écrit :alpa a écrit :aldolino a écrit :oui
Tu peux preciser STP ?
Que veux tu comme précision ?
Tu dis avoir plus de couple en bas. Or augmenter la pression max ne fait pas monter le couple sous les 3000tr ou la pression max d'origine n'est pas atteinte, les turbines des RHF5 sont trop grosses. Meme sur le 2.8 18v la pression max est atteinte vers 3000tr seulement. Donc j'aimerais savoir ce que tu as fait d'autre pour augmenter le couple en bas.
En tout cas c'est ce que j'avais observe sur une Ghibli non-ABS.
Re: [aldolino] MA GHIBLI GT 1998
Publié : mar. 19 avr. 2011 08:51
par aldolino
Comme je disais, il ne suffit pas d'augmenter la pression max, il faut aussi modifier les paramètres air/essence ainsi que l'avance d'allumage.
J'ai aussi été obligé de décatalysé car trop de frein au niveau des gaz d'échappement.
Le problème du décatalyseur c'est le CO en sortie d'échappement qui devient trop élevé !!
Re: [aldolino] MA GHIBLI GT 1998
Publié : mar. 19 avr. 2011 10:08
par alpa
Je suis currieux de savoir comment t'as fait et ce que t'as modifie. Mais bon si tu ne veux pas dire ...
T'as fait comment pour mapper les deux boitiers en meme temps ?
Comment sais-tu qu'il y a trop de frein a cause des cata ?
Re: [aldolino] MA GHIBLI GT 1998
Publié : mar. 19 avr. 2011 10:42
par aldolino
Pas de soucis !! JE DIRAIS TOUT !!!!
Soyons clair, ce n'est pas moi qui ai refait la prog. Cependant les deux boitiers sont strictement identique ce n'est qu'une question de connecteurs.
La prog a été faite par un ami en italie qui m'a pris 500 € !!! autant dire pas grand chose.
Les eproms sont interchangeable sans modifications du boitier.
JE vais essayer de récuperer les fichiers en 3D des modifications ce sera plus parlant.
Pour ce qui est des catalyseurs, son rôle est de freiner les gaz d'échappement pour permettre à la sonde lambda d'analyser correctement le mélange air/essence et par une réaction chimique à l'intérieur du catalyseur de lisser les valeurs CO pour être au plus proche de 0.
Le fait de les enlever rabaissse inévitablement le ratio air/essence, donc mélange plus riche !! Cela permet aussi d'enlever le frein au niveau des gaz et de libérer l'échappement par conséquent la pression turbo monte plus vite.
Re: [aldolino] MA GHIBLI GT 1998
Publié : mar. 19 avr. 2011 10:46
par alpa
Merci.
Il y a bien des gens qui ont des Cup, on doit pouvoir trouver l'eprom, non ?
Sais-tu si la GT a les turbos a roulements a billes ? Ce sont des RHF ou des RHB ?
Re: [aldolino] MA GHIBLI GT 1998
Publié : mar. 19 avr. 2011 11:13
par aldolino
Si tu arrives à trouver les fichiers de la CUP , je suis preneur
Malheureusement la GT a un turbo SANS roulement ( contrairement à la cup ).
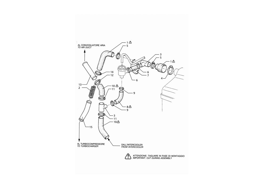
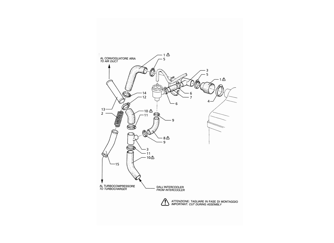
Et sit u montes le trubo de la cup dans une gt il faut une grosse modif sur les durites d'admission d'air pour pouvoir faire fonctionner correctement le turbo à roulement.
voici la modif

- 041_004.gif (77.98 Kio) Consulté 5939 fois
Re: [aldolino] MA GHIBLI GT 1998
Publié : mar. 19 avr. 2011 11:46
par alpa
Sur le forum ICC il y a au moins une personne avec la Cup. Mais bon il faut ouvrir les boitiers.
Pierre Nallet n'a pas un boitier ed Cup en rab ?
La modif des durites d'admission c'est juste que Mase s'est appercu qu'ils ont merde avec l'endroit ou la DV est branchee. Ils l'avaient mise avant l'echangeur ce qui n'est pas bon. Sur la Cup ils ont mis comme il faut, apres l'echangeur, ca reduit le lag.
Ca n'a pas de rapport avec les ball bearing. Les ball bearing se montent directement a la place des normaux, meme sur les 18v. Par contre il faut reprogrammer les cartos, forcement.