[Ghibli 2] Problème de clim
- FinkBrau
- V8
- Messages : 1315
- Inscription : sam. 7 nov. 2020 17:17
- Localisation : 57
- Localisation : Metz
[Ghibli 2] Problème de clim
Attention, sujet technique !
Depuis quelques jours ma clim ne fait plus de froid, ou alors de façon très intermittente. J'ai de suite testé le bloc de contrôle via la procédure très utile qu'on trouve ici : http://www.maseratitude.com/viewtopic.php?f=22&t=6763
Tout fonctionne sauf l'enclenchement de l'embrayage du compresseur, rien ne se passe.
J'ai donc pensé à une pression trop faible dans le circuit, j'ai fait recharger, toujours rien. J'ai pensé au relais, je l'ai interverti avec un autre, il semble fonctionner, mais toujours pas la clim.
J'ai tenté de shunter l'entrée et la sortie du relais, rien, pas de bruit au niveau de l'embrayage. J'ai tenté avec le relais mais en shuntant le pressostat qui est sur la cartouche filtrante du circuit de clim, toujours rien. Ce qui est étrange c'est qu'en shuntant le pressostat je n'entends pas le relais s'enclencher... Mais d'un autre côté aux bornes de ce pressostat je n'ai qu'une tension très faible.
Bon mon problème c'est que mon circuit de gaz est vide, chez Norauto ils me l'ont vidé je n'ai pas très bien compris pourquoi... Donc je ne peux pas constater si oui ou non ça fait du froid, je dois faire ça au bruit. J'ai testé moteur allumé et je peux quand même constater que la poulie tourne à vide, même en shuntant le relais...
Ma première piste serait de vérifier que j'ai bien du 12v qui arrive à l'embrayage du compresseur mais c'est quasi inaccessible sans lever la voiture. J'y viendrai sûrement mais ça m'emmerderait d'en arriver là pour rien.
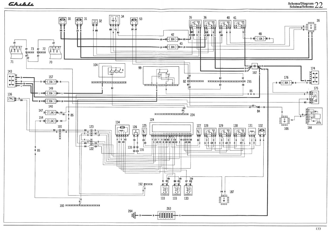
Je suis quand même un peu embêté par le fait que je n'ai qu'une tension très très faible (moins d'1V) aux bornes du pressostat. D'ailleurs celui-ci a 4 fils, mais seuls deux sont raccordés, le faisceau a visiblement été modifié. Cela dit ça a très bien fonctionné comme ça. Je ne comprends pas non plus très bien le schéma : Le fil qui va du boitier de clim vers le pressostat passe par l'interrupteur de dégivrage ? Dans tous les cas ce fil sort de la borne 24 ce qui correspond aux infos qu'on peut trouver sur ce topic : http://www.maseratitude.com/viewtopic.php?f=21&t=7900
Déjà plus simple, tester que j'ai bien du 12v qui en sort lorsque la clim est censée être en route. Mais indépendamment, en théorie, en shuntant le relais l'embrayage du compresseur devrait coller non ? Même moteur arrêté ?
Depuis quelques jours ma clim ne fait plus de froid, ou alors de façon très intermittente. J'ai de suite testé le bloc de contrôle via la procédure très utile qu'on trouve ici : http://www.maseratitude.com/viewtopic.php?f=22&t=6763
Tout fonctionne sauf l'enclenchement de l'embrayage du compresseur, rien ne se passe.
J'ai donc pensé à une pression trop faible dans le circuit, j'ai fait recharger, toujours rien. J'ai pensé au relais, je l'ai interverti avec un autre, il semble fonctionner, mais toujours pas la clim.
J'ai tenté de shunter l'entrée et la sortie du relais, rien, pas de bruit au niveau de l'embrayage. J'ai tenté avec le relais mais en shuntant le pressostat qui est sur la cartouche filtrante du circuit de clim, toujours rien. Ce qui est étrange c'est qu'en shuntant le pressostat je n'entends pas le relais s'enclencher... Mais d'un autre côté aux bornes de ce pressostat je n'ai qu'une tension très faible.
Bon mon problème c'est que mon circuit de gaz est vide, chez Norauto ils me l'ont vidé je n'ai pas très bien compris pourquoi... Donc je ne peux pas constater si oui ou non ça fait du froid, je dois faire ça au bruit. J'ai testé moteur allumé et je peux quand même constater que la poulie tourne à vide, même en shuntant le relais...
Ma première piste serait de vérifier que j'ai bien du 12v qui arrive à l'embrayage du compresseur mais c'est quasi inaccessible sans lever la voiture. J'y viendrai sûrement mais ça m'emmerderait d'en arriver là pour rien.
Je suis quand même un peu embêté par le fait que je n'ai qu'une tension très très faible (moins d'1V) aux bornes du pressostat. D'ailleurs celui-ci a 4 fils, mais seuls deux sont raccordés, le faisceau a visiblement été modifié. Cela dit ça a très bien fonctionné comme ça. Je ne comprends pas non plus très bien le schéma : Le fil qui va du boitier de clim vers le pressostat passe par l'interrupteur de dégivrage ? Dans tous les cas ce fil sort de la borne 24 ce qui correspond aux infos qu'on peut trouver sur ce topic : http://www.maseratitude.com/viewtopic.php?f=21&t=7900
Déjà plus simple, tester que j'ai bien du 12v qui en sort lorsque la clim est censée être en route. Mais indépendamment, en théorie, en shuntant le relais l'embrayage du compresseur devrait coller non ? Même moteur arrêté ?
'93 Ghibli II 2,0 L Dazing Black
- Froggie
- W16
- Messages : 9010
- Inscription : jeu. 12 oct. 2017 23:50
- Localisation : 0
- Localisation : Bruxelles, Belgique
Re: [Ghibli 2] Problème de clim
Souvent dans les circuits de clim, il y a une sécurité pour empêcher l'enclenchement de l'embrayage du compresseur lorsque la pression de gaz est insuffisante (pour pas le faire cramer).
Si tu n'as plus de gaz (et aussi quand tu as fait faire la recharge: est-ce que la pression a tenu, càd qu'il n'y a pas de fuite?), pas possible donc de tester si l'embrayage s'enclenche bien.
Regarde dans ce circuit s'il n'y a pas une sonde qui bloque le système
Si tu n'as plus de gaz (et aussi quand tu as fait faire la recharge: est-ce que la pression a tenu, càd qu'il n'y a pas de fuite?), pas possible donc de tester si l'embrayage s'enclenche bien.
Regarde dans ce circuit s'il n'y a pas une sonde qui bloque le système
- FinkBrau
- V8
- Messages : 1315
- Inscription : sam. 7 nov. 2020 17:17
- Localisation : 57
- Localisation : Metz
Re: [Ghibli 2] Problème de clim
La sonde c'est le pressostat, que j'ai shunté sans succès mais aux bornes duquel n'arrive pas de +12V.Froggie a écrit :Souvent dans les circuits de clim, il y a une sécurité pour empêcher l'enclenchement de l'embrayage du compresseur lorsque la pression de gaz est insuffisante (pour pas le faire cramer).
Si tu n'as plus de gaz (et aussi quand tu as fait faire la recharge: est-ce que la pression a tenu, càd qu'il n'y a pas de fuite?), pas possible donc de tester si l'embrayage s'enclenche bien.
Regarde dans ce circuit s'il n'y a pas une sonde qui bloque le système
'93 Ghibli II 2,0 L Dazing Black
- Froggie
- W16
- Messages : 9010
- Inscription : jeu. 12 oct. 2017 23:50
- Localisation : 0
- Localisation : Bruxelles, Belgique
Re: [Ghibli 2] Problème de clim
Si le 12V n'y arrive pas, ton pb est peut-être là.
Regarde en détail ton faisceau pour voir s'il n'a pas été abîmé récemment qqe part dans cette partie du circuit
Regarde en détail ton faisceau pour voir s'il n'a pas été abîmé récemment qqe part dans cette partie du circuit
Re: [Ghibli 2] Problème de clim
Si tu envoies directement du 12v vers le compresseur l'embrayage ne s'enclenche pas?
Sur le BV du relais n°40.
Tu peux faire cela moteur coupé, et vérifier à la main si c'est enclenché (si tu peux faire tourner le centre de la poulie, ce n'est pas enclenché)
Sur le BV du relais n°40.
Tu peux faire cela moteur coupé, et vérifier à la main si c'est enclenché (si tu peux faire tourner le centre de la poulie, ce n'est pas enclenché)
“What this button does is it turns carbon dioxide into noise.” J Clarkson
Merak - Biturbo SI - Shamal - Ghibli Cup 2800 - 3200GT AC - MC Victory
Merak - Biturbo SI - Shamal - Ghibli Cup 2800 - 3200GT AC - MC Victory
- FinkBrau
- V8
- Messages : 1315
- Inscription : sam. 7 nov. 2020 17:17
- Localisation : 57
- Localisation : Metz
Re: [Ghibli 2] Problème de clim
gemini a écrit :Si tu envoies directement du 12v vers le compresseur l'embrayage ne s'enclenche pas?
Sur le BV du relais n°40.
Tu peux faire cela moteur coupé, et vérifier à la main si c'est enclenché (si tu peux faire tourner le centre de la poulie, ce n'est pas enclenché)
Non il ne s’enclenche pas effectivement…
'93 Ghibli II 2,0 L Dazing Black
Re: [Ghibli 2] Problème de clim
Alors le soucis est au niveau de l'embrayage du compresseur.
A priori en tout cas.
Ou au niveau du câblage de ce dernier.
A priori en tout cas.
Ou au niveau du câblage de ce dernier.
“What this button does is it turns carbon dioxide into noise.” J Clarkson
Merak - Biturbo SI - Shamal - Ghibli Cup 2800 - 3200GT AC - MC Victory
Merak - Biturbo SI - Shamal - Ghibli Cup 2800 - 3200GT AC - MC Victory
- FinkBrau
- V8
- Messages : 1315
- Inscription : sam. 7 nov. 2020 17:17
- Localisation : 57
- Localisation : Metz
Re: [Ghibli 2] Problème de clim
gemini a écrit :Alors le soucis est au niveau de l'embrayage du compresseur.
A priori en tout cas.
Ou au niveau du câblage de ce dernier.
C’est ce que je pense, mais j’ai quand même du mal à comprendre pourquoi j’ai pas du +12 à une des bornes du pressostat.
'93 Ghibli II 2,0 L Dazing Black
Re: [Ghibli 2] Problème de clim
La clim est active (dans l'habitacle je veux dire?). Et tu n'es pas en mode ECO?
“What this button does is it turns carbon dioxide into noise.” J Clarkson
Merak - Biturbo SI - Shamal - Ghibli Cup 2800 - 3200GT AC - MC Victory
Merak - Biturbo SI - Shamal - Ghibli Cup 2800 - 3200GT AC - MC Victory
- FinkBrau
- V8
- Messages : 1315
- Inscription : sam. 7 nov. 2020 17:17
- Localisation : 57
- Localisation : Metz
Re: [Ghibli 2] Problème de clim
gemini a écrit :La clim est active (dans l'habitacle je veux dire?). Et tu n'es pas en mode ECO?
Oui et je viens de vérifier j’ai bien du jus en sortie de broche 24 sur le bloc de clim.
'93 Ghibli II 2,0 L Dazing Black
- FinkBrau
- V8
- Messages : 1315
- Inscription : sam. 7 nov. 2020 17:17
- Localisation : 57
- Localisation : Metz
Re: [Ghibli 2] Problème de clim
Bon ça avance.
Le schéma n’est pas bon, je ne sais pas si c’est le faisceau qui a été modifié « aftermarket » ou si c’est Maserati qui a revu le routing entre la version sans ABS et la version avec.
En fait ça n’est pas le pressostat qui donne la consigne au relais mais le panneau de contrôle. La sortie du relais passe ensuite par le pressostat. En shuntant le tout l’embrayage s’enclenche.
Mon problème semble venir d’une tension trop faible pour la consigne provenant du panneau, je n’ai que 5V ce qui ne doit pas être suffisant pour actionner le relais. Ou alors c’est le relais qui est fatigué ? Il faudrait que je trouve un relais neuf pour voir…
Bon le problème c’est qu’en trifouillant j’ai été déconnecter le câble d’alimentation de l’embrayage et pour le rebrancher il me faudrait les doigts d’E.T. mais en plus fin… Faut que je commande des pinces de chirurgien
Le schéma n’est pas bon, je ne sais pas si c’est le faisceau qui a été modifié « aftermarket » ou si c’est Maserati qui a revu le routing entre la version sans ABS et la version avec.
En fait ça n’est pas le pressostat qui donne la consigne au relais mais le panneau de contrôle. La sortie du relais passe ensuite par le pressostat. En shuntant le tout l’embrayage s’enclenche.
Mon problème semble venir d’une tension trop faible pour la consigne provenant du panneau, je n’ai que 5V ce qui ne doit pas être suffisant pour actionner le relais. Ou alors c’est le relais qui est fatigué ? Il faudrait que je trouve un relais neuf pour voir…
Bon le problème c’est qu’en trifouillant j’ai été déconnecter le câble d’alimentation de l’embrayage et pour le rebrancher il me faudrait les doigts d’E.T. mais en plus fin… Faut que je commande des pinces de chirurgien
'93 Ghibli II 2,0 L Dazing Black
Re: [Ghibli 2] Problème de clim
A mon avis, c'est le même schéma que sur la shamal.
Regarde sur ce post-ci, le schéma est au bout : http://maseratitude.com/viewtopic.php?f ... 00#p188840
Regarde sur ce post-ci, le schéma est au bout : http://maseratitude.com/viewtopic.php?f ... 00#p188840
“What this button does is it turns carbon dioxide into noise.” J Clarkson
Merak - Biturbo SI - Shamal - Ghibli Cup 2800 - 3200GT AC - MC Victory
Merak - Biturbo SI - Shamal - Ghibli Cup 2800 - 3200GT AC - MC Victory
- FinkBrau
- V8
- Messages : 1315
- Inscription : sam. 7 nov. 2020 17:17
- Localisation : 57
- Localisation : Metz
Re: [Ghibli 2] Problème de clim
gemini a écrit :A mon avis, c'est le même schéma que sur la shamal.
Regarde sur ce post-ci, le schéma est au bout : http://maseratitude.com/viewtopic.php?f ... 00#p188840
Oui c’est ça. J’ai pas noté mais de mémoire j’ai que 8 ou 9 V qui sortent du boîtier de clim. Plus que 5 à la borne du relais. Du côté ça me semble peu mais d’un autre si le boîtier de commande devait être défectueux je n’aurais plus de tension du tout. Je vais commander un relais on verra bien.
Surtout que par intermittence la clim se remet en route, ça ressemble quand même bien à un relais capricieux…
'93 Ghibli II 2,0 L Dazing Black
Re: [Ghibli 2] Problème de clim
Bah échange avec un relais de ventilo pour tester, ils sont tous identiques.
“What this button does is it turns carbon dioxide into noise.” J Clarkson
Merak - Biturbo SI - Shamal - Ghibli Cup 2800 - 3200GT AC - MC Victory
Merak - Biturbo SI - Shamal - Ghibli Cup 2800 - 3200GT AC - MC Victory
- FinkBrau
- V8
- Messages : 1315
- Inscription : sam. 7 nov. 2020 17:17
- Localisation : 57
- Localisation : Metz
Re: [Ghibli 2] Problème de clim
J’ai essayé, ça ne marche pas. Et à l’inverse le relais incriminé fonctionne sur d’autres emplacements… mais je me dis que peut-être un neuf commutera à une tension plus faible…
'93 Ghibli II 2,0 L Dazing Black
- FinkBrau
- V8
- Messages : 1315
- Inscription : sam. 7 nov. 2020 17:17
- Localisation : 57
- Localisation : Metz
Re: [Ghibli 2] Problème de clim
gemini a écrit :A mon avis, c'est le même schéma que sur la shamal.
Regarde sur ce post-ci, le schéma est au bout : http://maseratitude.com/viewtopic.php?f ... 00#p188840
Est-ce qu’à tout hasard tu pourrais me mesurer la tension que tu as sur la Shamal sur le 85 du relais de compresseur, clim en route ?
'93 Ghibli II 2,0 L Dazing Black
Re: [Ghibli 2] Problème de clim
Non, parce que depuis dimanche, je n'arrive plus à enclencher le compresseur et je n'ai pas encore trouvé pourquoi (à priori, ça vient de la centrale, mais je n'ai pas encore trouvé le temps de regarder).
Mais de toutes façons, c'est du 12V, pas de 5 ni du 8.
Mais de toutes façons, c'est du 12V, pas de 5 ni du 8.
“What this button does is it turns carbon dioxide into noise.” J Clarkson
Merak - Biturbo SI - Shamal - Ghibli Cup 2800 - 3200GT AC - MC Victory
Merak - Biturbo SI - Shamal - Ghibli Cup 2800 - 3200GT AC - MC Victory
Re: [Ghibli 2] Problème de clim
J'ai testé, si tu envoies du 12v en direct sur le pressostat, l'embrayage du compresseur se colle bien. 
“What this button does is it turns carbon dioxide into noise.” J Clarkson
Merak - Biturbo SI - Shamal - Ghibli Cup 2800 - 3200GT AC - MC Victory
Merak - Biturbo SI - Shamal - Ghibli Cup 2800 - 3200GT AC - MC Victory
- FinkBrau
- V8
- Messages : 1315
- Inscription : sam. 7 nov. 2020 17:17
- Localisation : 57
- Localisation : Metz
Re: [Ghibli 2] Problème de clim
Oui donc même circuit probablement. Mon problème vient bien de la consigne dont la tension est trop faible. Je vais démonter le boîtier voir si y’a pas quelque chose qui aurait cramé.
'93 Ghibli II 2,0 L Dazing Black
- FinkBrau
- V8
- Messages : 1315
- Inscription : sam. 7 nov. 2020 17:17
- Localisation : 57
- Localisation : Metz
Re: [Ghibli 2] Problème de clim
gemini a écrit :A mon avis, c'est le même schéma que sur la shamal.
Regarde sur ce post-ci, le schéma est au bout : http://maseratitude.com/viewtopic.php?f ... 00#p188840
Bon le schéma a le mérite d'exister mais je comprends que dalle au raccordement du pont de diodes.
Toujours est-il que je l'ai testé, et qu'une des diodes semble être morte. J'ai peut-être trouvé ma panne.
Au niveau du boitier, visuellement, RAS.
'93 Ghibli II 2,0 L Dazing Black