3200 gt Vitres bloquées, fermées à 90%

Décrivez votre problème...
Répondre
robert
Monocylindre
Messages : 22
Inscription : sam. 8 juin 2019 07:57
Localisation : 68

3200 gt Vitres bloquées, fermées à 90%

Message par robert »

Bonjour
Tout allait à peu près bien. Voilà maintenant un nouveau problème. Sur la 3200 gt les vitres se sont bloquées fermées à 90% l'une après l'autre (encore heureux que je puisse fermer la porte, car dans un premier temps une des vitres étaient super fermée ce qui empêche la fermeture de la porte) les fusibles 15 et 16 sont ok. J'ai débranché un moment la batterie puis rebranché... pas de changement. Les deux poussoirs électriques de vitre ne donnent aucune réaction. j'ai lu quelque part que pouvait être le relais vert côté pied conducteur (je vois sur l'image "italamec" 812 12v 184956 - Quelqu'un confirme ? Autre piste ? Merci de votre aide
Avatar de l’utilisateur
Dom3200
V8
Messages : 2163
Inscription : ven. 18 mars 2016 16:11
Localisation : 91
Localisation : Essonne

Re: 3200 gt Vitres bloquées, fermées à 90%

Message par Dom3200 »

Si la panne est arrivée en même temps sur les 2 vitres et que les boutons n actionnent plus rien en effet un relais semble une bonne piste.
3200 GT Juil 2001 / RACING Nov 1991
robert
Monocylindre
Messages : 22
Inscription : sam. 8 juin 2019 07:57
Localisation : 68

Re: 3200 gt Vitres bloquées, fermées à 90%

Message par robert »

Oui merci mais quel est réellement le relais en question - en fait celui indiqué sur ce forum ne semble pas le bon (et que j'ai cité) auriez vous la référence du relais qui concerne les deux fenêtres ?
Avatar de l’utilisateur
Dom3200
V8
Messages : 2163
Inscription : ven. 18 mars 2016 16:11
Localisation : 91
Localisation : Essonne

Re: 3200 gt Vitres bloquées, fermées à 90%

Message par Dom3200 »

Désolé je ne sais pas. Quelqu un d autre?
3200 GT Juil 2001 / RACING Nov 1991
gemini
W16
Messages : 8757
Inscription : lun. 20 juin 2011 23:01
Localisation : Hainaut, Belgique

Re: 3200 gt Vitres bloquées, fermées à 90%

Message par gemini »

Alors, concernant les relais, ils ne servent pas à cela, non.

Image

Les vitres sont gérées par leur propre contrôleur. Il y a une interaction entre l'ouverture des portes et les vitres (pour abaisser/relever à l'ouverture/fermeture), et par ailleurs le fonctionnement est modifié par la vitesse' ('au delà de 120kmh, plus d'ouverture complète en appuyant une fois pour éviter trop d'air d'un coup, bref, c'est un peu plus compliqué que juste un interrupteur comme sur les biturbo)
pwcu.gif

Si tu as bien vérifié le fusible 16 et que celui-ci n'a rien, il va falloir chercher un peu plus loin. :?
Les fusibles, ça peut toujours servir.

Image

Image


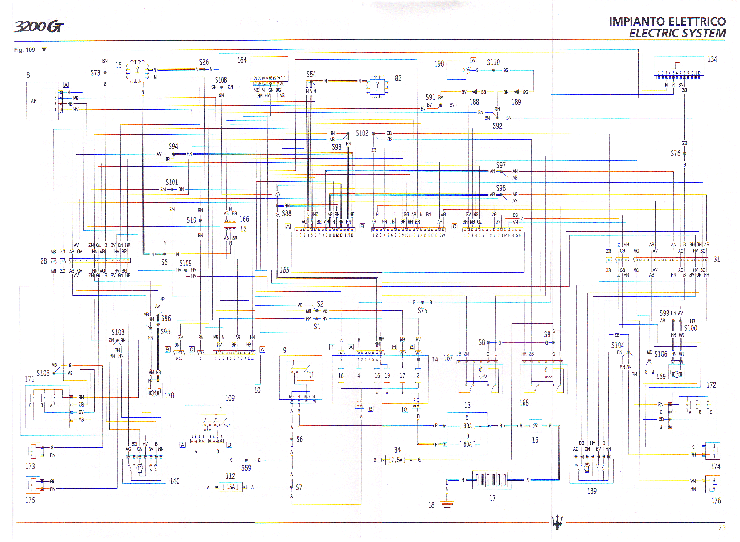
Ci-dessous, le diagramme de la partie "vitre électrique", et la légende associée.
diagramme.gif
legende.gif
Bonne recherche !
“What this button does is it turns carbon dioxide into noise.” J Clarkson
Merak - Biturbo SI - Shamal - Ghibli Cup 2800 - 3200GT AC - MC Victory
robert
Monocylindre
Messages : 22
Inscription : sam. 8 juin 2019 07:57
Localisation : 68

Re: 3200 gt Vitres bloquées, fermées à 90%

Message par robert »

Merci à vous - en effet je ne pense pas aux fusibles et le côté relais n'est pas évident - par contre il y a une couteuse centrale au même endroit que les fusibles c'est le module de gestion des fenêtre électiques ECU 178708 - Il y a un gros flou là dessus - est ce que quelq'un a tester l'ECU 185888 à la place du 178708 - Ou bien a-t-il (t-elle) essayé de le faire réparer ?
robert
Monocylindre
Messages : 22
Inscription : sam. 8 juin 2019 07:57
Localisation : 68

Re: 3200 gt Vitres bloquées, fermées à 90%

Message par robert »

178708 c'est le boitier plat bleu foncé en haut à gauche (sur le panneau fusibles plancher passager)
robert
Monocylindre
Messages : 22
Inscription : sam. 8 juin 2019 07:57
Localisation : 68

Re: 3200 gt Vitres bloquées, fermées à 90%

Message par robert »

robert a écrit :178708 c'est le boitier plat bleu foncé en haut à gauche (sur le panneau fusibles plancher passager)
Plutôt noir d'ailleurs - et en effet c'était là l'origine de la panne. Boitier ECU changé problème réglé.
Avatar de l’utilisateur
Cam_31
V6
Messages : 607
Inscription : lun. 15 mars 2021 22:05
Localisation : 31

Re: 3200 gt Vitres bloquées, fermées à 90%

Message par Cam_31 »

Merci pour le retour d'exp ;)
gemini
W16
Messages : 8757
Inscription : lun. 20 juin 2011 23:01
Localisation : Hainaut, Belgique

Re: 3200 gt Vitres bloquées, fermées à 90%

Message par gemini »

Excellente nouvelle.
“What this button does is it turns carbon dioxide into noise.” J Clarkson
Merak - Biturbo SI - Shamal - Ghibli Cup 2800 - 3200GT AC - MC Victory
olive78
4 cylindres
Messages : 455
Inscription : mer. 5 janv. 2022 00:03
Localisation : 78
Localisation : Yvelines

Re: 3200 gt Vitres bloquées, fermées à 90%

Message par olive78 »

Du coup, tu as remplacé le boitier par quelle référence et trouvée ou ? Ou bien tu l'as fait réparer ?
3200GTA de 2000, Blu Nettuno, Intérieur beige, 103000km au 21/12/2021, 107779km au retour de la sortie Reims 2025 ! :D
Répondre