[3200 Gt] Boite à fusible

Répondre
gemini
W16
Messages : 8756
Inscription : lun. 20 juin 2011 23:01
Localisation : Hainaut, Belgique

[3200 Gt] Boite à fusible

Message par gemini »

Ayant eu dernièrement l'occasion de me pencher de plus près sur la boite à fusible de la 3200GT (la principale sous les pieds du passager) et n'ayant pas trouvé de topic spécifique, je propose de réunir dans celui-ci les informations disponibles.

On accède très facilement à cette boite à fusible, au pied du passager, on soulève la moquette, on se trouve face à une plaque de protection métal tenue par 4 vis cruciformes (ou moins) et la boite est derrière.

Image

Voici le détail des fusibles avec leur fonction. Notez que l'outil jaune au dessus du fusible n°1 est une pince bien pratique pour oter les fusibles.
Image
Image

Au centre, en vert sur l'image, en noir sur ma voiture, on retrouve l'IGE electronic module, dont on ne s'occupera pas ici.

A droite, une deuxième série de fusible.
Image

A partir de là, vous devriez pouvoir trouver quel fusible/relais est responsable de la panne que vous présentez.
En général...

Parfois, c'est plus compliqué, les fusibles sont bons, mais le courant n'arrive pas où il devrait.
Vous pouvez vous amuser à utiliser les diagrammes electroniques si vous voulez vraiment comprendre comment tout ce petit monde interagit. Ce n'est pas très compliqué (dit-il).

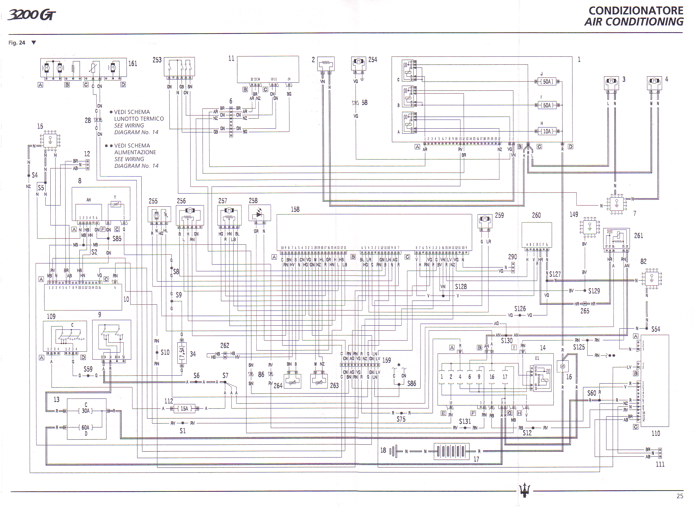
Ici par exemple la partie qui concerne la ventilation. Si vous avez besoin d'autres diagrammes, demandez, on pourra les poster.
3200gtg-025.gif
Mais on a dit qu'on allait parler de la boite à fusible.
Depuis les premières biturbos, elles ont bien évolué, on ne va pas se plaindre, mais reste relativement sensible si elles se trouvent régulièrement aspergée de liquide de refroidissement (ce qui peut arriver si vous avez une fuite au niveau du radiateur de chauffage, me demandez pas comment je le sais :roll: ). Mais ce sera l'object d'un autre tuto, une autre fois, genre en hiver.

Donc, le comportement de votre boite à fusible ne semble pas normal, le courant ne va pas là où il devrait?
Qu'à cela ne tienne, on va démonter :lol:

C'est assez simple, on dévise l'écrou de 8 qui la maintient en place, et on débranche toutes les fiches situées à l'arrière.
Pas d'inquiétude, elles sont toutes différentes, et il est donc impossible de se tromper au remontage.

Image

Voilà donc la boite à fusible libérée du véhicule.
Image


On commence par enlever tous les fusibles et le relais, sans cela impossible de l'ouvrir.
Ensuite, on dévise les 4 petites vis cruciformes aux 4 coins pour examiner l'intérieur, la boite s'ouvre en deux et on peut facilement faire sortir son contenu (Fond au dessus, contenu au centre et face en dessous).
Image

La partie centrale est composée de 4 feuilles séparées supportant les pistes électriques. Pour démonter cette partie, il faut d'abord enlever tous les connecteurs porte-fusibles/relais insérés sur chaque pin. Ca se fait plus ou moins bien, en fonction de l'oxydation.
Les connecteurs pour fusible,
Image

et ceux des relais sont enlevés.
Image

Il est temps maintenant de séparer les 4 parties, elles sont simplement emboitées l'une dans l'autre et se désolidarisent aisément.

Image


On peut maintenant examiner chaque circuit aisément. Et on constate le genre de dégâts qu'un peu de liquide de refroidissement peu faire à cet endroit. Ca oxyde, ça crée de nouvelles connections...
Image

Image

Bien entendu, ça ne peut que marcher moins bien... :?

Image


Quà cela ne tienne, on commence par sécher tout le liquide restant encore dans la boite et puis on nettoie.
Rien de tel qu'une bonne bombe de nettoyant contact.
Image
Faut pas avoir peur d'y aller joyeusement (en extérieur, parce que on en met partout), ça nettoie vraiment bien (j'avais essayé un peu d'alcool ménager mais c'était moins convaincant).

Une fois tout bien nettoyé et séché, on remonte. Les quatre plaques sont numérotées, on ne peut donc se tromper dans le sens de remontage.
On remet les connecteurs, dans le même sens que lors du retrait, c'est mieux.

Image

On referme la boite, replace les fusibles (les bons fusibles à la bonne place, ne mélangez pas tout) et il suffit de rebrancher la boite dans la voiture.

Image

Dans mon cas, j'ai du changer le relais qui ne s'enclenchait plus, étrangement, je l'avais déjà tenté de le remplacer avant le démontage et ça n'avait rien changé, peut-être qu'à force de le mettre et le retirer je l'ai endommagé, allez savoir. M'enfin, maintenant que tout fonctionne, je ne peux pas me plaindre. :D

Voilà, je ne sais pas si tout ceci servira un jour à quelqu'un, mais au cas où, c'est documenté.
“What this button does is it turns carbon dioxide into noise.” J Clarkson
Merak - Biturbo SI - Shamal - Ghibli Cup 2800 - 3200GT AC - MC Victory
Avatar de l’utilisateur
bay
W16
Messages : 7303
Inscription : sam. 1 août 2015 20:34
Localisation : 0
Localisation : Belgique
Contact :

Re: [3200 Gt] Boite à fusible

Message par bay »

Très beau document qui vient toujours à point , ne te tracasse pas cela serviras surement un jour ;)
:Maze Maserati Granturismo S Aut. 4,7 V8 Blu Oceano / Sabbia # 47902 Ass. 48898 Engine 148469


le registre Gransport MC Victory

Jeremy Clarkson. "tout passionné d'automobile doit avoir eu une Alfa-Romeo au moins une fois dans sa vie"
Avatar de l’utilisateur
alpa
V12
Messages : 4279
Inscription : mer. 9 févr. 2011 15:19
Localisation : Grenoble

Re: [3200 Gt] Boite à fusible

Message par alpa »

gemini a écrit : On accède très facilement à cette boite à fusible, au pied du passager, on soulève la moquette, on se trouve face à une plaque de protection métal tenue par 4 vis cruciformes (ou moins) et la boite est derrière.
C'est comme sur les A8 D2. Fefe ont copie Audi !
Le gros probleme c'est que l'humidite descend dans la boite a fusible et ca rouille.

Les D2 sont tristement connues pour (entre autre, la liste serait longue) une electricite desastreuse en fiabilite.
On se reposera a la morgue Coucou Koen
Avatar de l’utilisateur
Froggie
W16
Messages : 9010
Inscription : jeu. 12 oct. 2017 23:50
Localisation : 0
Localisation : Bruxelles, Belgique

Re: [3200 Gt] Boite à fusible

Message par Froggie »

Super tuto.
C'est bien détaillé avec les bonnes photos, étape par étape.
L'aspect des plaques est édifiant. Pas étonnant que ta clim ne marchait pas avec les court-jus potentiels là-dedans, ça promettait pour d'autres fonctions...
Pour une fois l'assemblage dans la 3200 apparaît logique et bien fait, je n'aurais pas parié qu'on pouvait aller au bout en s'attaquant au démontage, tu es un entrepreneur intrépide et ça va servir aux autres :D
Avatar de l’utilisateur
joeley
V12
Messages : 4845
Inscription : mer. 13 juil. 2016 11:29
Localisation : 26

Re: [3200 Gt] Boite à fusible

Message par joeley »

Excellent.
Gemini, t'as jamais pensé écrire un livre ? :mrgreen:
3200GT Boîte Manu Giallo Granturismo
Avatar de l’utilisateur
sebasto35
V6
Messages : 683
Inscription : lun. 15 mai 2017 19:47
Localisation : 35
Localisation : Saint Malo

Re: [3200 Gt] Boite à fusible

Message par sebasto35 »

Très bien documenté; merci Gemini :D
MASERALFA
W16
Messages : 5903
Inscription : ven. 25 févr. 2011 14:18
Localisation : 83
Localisation : En Provence verte

Re: [3200 Gt] Boite à fusible

Message par MASERALFA »

Salve Gémini,
Super ton descriptif et encore super d’avoir solutionné ton problème.
Merci pour ton tuto.
Fred
Biturbo 1984 Miserati
2.24V Réconciliation
422 Famiglia
Biturbo SI Black Bestia
Ghibli 1994 Miss Ghibli
Ghibli GT 1996 Eminence
222 SE de 1992
Quattroporte IV V8 Evo La Baronne
Spyder Zagato 2.0 1991 Laraignée
3200 GT Boomerang
430 4v 1992 Diavola
Avatar de l’utilisateur
Konimino2
W18
Messages : 10207
Inscription : mar. 25 avr. 2017 23:54
Localisation : 67

Re: [3200 Gt] Boite à fusible

Message par Konimino2 »

Gemini le :Maze du tuto
Avatar de l’utilisateur
joeley
V12
Messages : 4845
Inscription : mer. 13 juil. 2016 11:29
Localisation : 26

Re: [3200 Gt] Boite à fusible

Message par joeley »

L'ancêtre du circuit imprimé multicouches. :mrgreen:

Je ne sais pas si cette oxydation est vraiment conductrice ? Le liquide de refroidissement oui.
Par contre des mauvais contacts c'est certain, en particulier avec ses clips. Pas franchement une bonne idée. Rien ne vaut la soudure...
Y a pleins de "trucs" qui passent par là (en rouge sur la photo relais E1)... C'est un peu gonflé de mettre des clips...

Image

Je pense Gemini que tu as eu au départ des mauvais contacts, avec le relais qui colle, qui colle pas..., et qui fini par lâcher. :(
3200GT Boîte Manu Giallo Granturismo
Avatar de l’utilisateur
Froggie
W16
Messages : 9010
Inscription : jeu. 12 oct. 2017 23:50
Localisation : 0
Localisation : Bruxelles, Belgique

Re: [3200 Gt] Boite à fusible

Message par Froggie »

joeley a écrit :L'ancêtre du circuit imprimé multicouches. :mrgreen:

Je ne sais pas si cette oxydation est vraiment conductrice ? Le liquide de refroidissement oui.
Par contre des mauvais contacts c'est certain, en particulier avec ses clips. Pas franchement une bonne idée. Rien ne vaut la soudure...

Je pense Gemini que tu as eu au départ des mauvais contacts, avec le relais qui colle, qui colle pas..., et qui fini par lâcher. :(
Oui, les oxydes sont hydratés et ont une certaine conduction électrique.
Suffisamment en tout cas pour faire des ponts et complètement buguer le fonctionnement.
Avec des soudures aussi, si tu as un liquide qui attaque les pistes métalliques et/ou les soudures, ça va faire un électrolyte suffisant pour faire court=jus, même de bas niveau. Et à terme, les oxydes vont se répandre entre les pistes...
Avatar de l’utilisateur
joeley
V12
Messages : 4845
Inscription : mer. 13 juil. 2016 11:29
Localisation : 26

Re: [3200 Gt] Boite à fusible

Message par joeley »

Donc faut plus souder les CI? :shock:
Vont faire la gueule les Chinois... :lol:
3200GT Boîte Manu Giallo Granturismo
En ligne
Avatar de l’utilisateur
Gianni
V12
Messages : 4465
Inscription : lun. 5 août 2013 12:49
Localisation : 33
Localisation : Bordeaux

Re: [3200 Gt] Boite à fusible

Message par Gianni »

Merci Gemini pour ce super tuto. Loin de moi l’idée que nos belles seraient farcies de problèmes électriques, mais je serais surpris qu’il ne serve à personne :D
Ghibli II Open Cup "Denny Zardo" - 1995 - Rosso Maserati
Ghibli II 2,8 GT - 1998 - Blu Nettuno
3200 GTA Assetto Corsa - 2002 - Blu Nettuno
ex-3200 GT - 1999 - Grigio Touring
ex-Gransport 10th Anniversary - 2007 - Nero Carbonio
Avatar de l’utilisateur
ghibli30
V8
Messages : 2100
Inscription : dim. 4 sept. 2011 19:30
Localisation : 6
Localisation : Nice

Re: [3200 Gt] Boite à fusible

Message par ghibli30 »

On peu aussi étamer au fer à souder les pistes, avec un simple fer à souder d'électricien et de la bonne vielle soudure au plomb.
Patrice
Image
Répondre