une Indy 4.2l au garage
-
Maseratrident
- Monocylindre
- Messages : 31
- Inscription : lun. 2 déc. 2019 15:37
- Localisation : 38
une Indy 4.2l au garage
hello
ça y est elle est arrivée sur plateau ; pour faire 1500 bornes il vaut mieux ne pas prendre de risques... ça commençait mal, plus de batterie pour la faire descendre du plateau; heureusement avec des câbles suffisamment longs elle a démarré au quart de tour
à l'avant les cuirs sont un peu sales mais de bonne qualité; un bon nettoyage au savon special cuir et ça devrait aller à l'arrière...il manquait les sièges heureusement un interieur complet trouvé en Seine et Marne; il va falloir que je les refasse avec un cuir identique à l'avant , mais la sellerie c'est ma passion... coté moteur, une fois la batterie changée... démarrage impeccable, sauf une forte odeur d'essence; une durite fissurée, vite changée et tout va bien ; mais il va falloir que je fasse le tour complet du circuit d'essence pour tout verifier
et la bonne nouvelle c'est que tout est matching numbers : chassis, moteur, plaques
la suite au prochain numero !
ça y est elle est arrivée sur plateau ; pour faire 1500 bornes il vaut mieux ne pas prendre de risques... ça commençait mal, plus de batterie pour la faire descendre du plateau; heureusement avec des câbles suffisamment longs elle a démarré au quart de tour
à l'avant les cuirs sont un peu sales mais de bonne qualité; un bon nettoyage au savon special cuir et ça devrait aller à l'arrière...il manquait les sièges heureusement un interieur complet trouvé en Seine et Marne; il va falloir que je les refasse avec un cuir identique à l'avant , mais la sellerie c'est ma passion... coté moteur, une fois la batterie changée... démarrage impeccable, sauf une forte odeur d'essence; une durite fissurée, vite changée et tout va bien ; mais il va falloir que je fasse le tour complet du circuit d'essence pour tout verifier
et la bonne nouvelle c'est que tout est matching numbers : chassis, moteur, plaques
la suite au prochain numero !
- Froggie
- W16
- Messages : 9023
- Inscription : jeu. 12 oct. 2017 23:50
- Localisation : 0
- Localisation : Bruxelles, Belgique
Re: une Indy 4.2l au garage
Super.
On va suivre avec intérêt ta restauration.
C'est rare que les moteurs aient été changés sur ces voitures, elles sont presque toujours "matching". Quand le moteur est abîmé, en général il repart pour restauration en Italie.
On va suivre avec intérêt ta restauration.
C'est rare que les moteurs aient été changés sur ces voitures, elles sont presque toujours "matching". Quand le moteur est abîmé, en général il repart pour restauration en Italie.
Re: une Indy 4.2l au garage
Très belle, il va falloir faire une action indy
- bay
- W16
- Messages : 7317
- Inscription : sam. 1 août 2015 20:34
- Localisation : 0
- Localisation : Belgique
- Contact :
Re: une Indy 4.2l au garage
Très belle félicitations 
le registre Gransport MC Victory
Jeremy Clarkson. "tout passionné d'automobile doit avoir eu une Alfa-Romeo au moins une fois dans sa vie"
Re: une Indy 4.2l au garage
Superbe
, félicitations ce topic, va être suivi avec grand intérêt 
- plm
- W18
- Messages : 10374
- Inscription : sam. 26 déc. 2015 12:43
- Localisation : 51
- Localisation : Muizon (Reims)
Re: une Indy 4.2l au garage
Tout le monde est sur ce post depuis 7h....
Si ça n'est pas indiscret, combien l'as tu payée?
(Si j'ai bien compris: aux enchères, sur photos, il manque des choses, le rétroviseur droit électrique est probablement anachronique...)
Donc il fallait être raisonnable, et calculer le risque...
PLM
Si ça n'est pas indiscret, combien l'as tu payée?
(Si j'ai bien compris: aux enchères, sur photos, il manque des choses, le rétroviseur droit électrique est probablement anachronique...)
Donc il fallait être raisonnable, et calculer le risque...
PLM
-
Maseratrident
- Monocylindre
- Messages : 31
- Inscription : lun. 2 déc. 2019 15:37
- Localisation : 38
Re: une Indy 4.2l au garage
merci pour vos encouragements
plm : pour le prix : la cote moins 15% pour les frais ...(déjà bien engagés avec les sieges, le transport,..)

plm : pour le prix : la cote moins 15% pour les frais ...(déjà bien engagés avec les sieges, le transport,..)
- Gianni
- V12
- Messages : 4511
- Inscription : lun. 5 août 2013 12:49
- Localisation : 33
- Localisation : Bordeaux
Re: une Indy 4.2l au garage
Félicitations 
Ghibli II Open Cup "Denny Zardo" - 1995 - Rosso Maserati
3200 GTA Assetto Corsa - 2002 - Blu Nettuno
ex-3200 GT - 1999 - Grigio Touring
Ghibli II 2,8 GT - 1998 - Blu Nettuno
ex-Gransport 10th Anniversary - 2007 - Nero Carbonio
3200 GTA Assetto Corsa - 2002 - Blu Nettuno
ex-3200 GT - 1999 - Grigio Touring
Ghibli II 2,8 GT - 1998 - Blu Nettuno
ex-Gransport 10th Anniversary - 2007 - Nero Carbonio
Re: une Indy 4.2l au garage
Ouah! Ça c’est de la « caisse » ! Félicitations, après une bonne remise à niveau elle sera sublime!
- maseramo
- W18
- Messages : 14115
- Inscription : dim. 8 janv. 2012 11:00
- Localisation : 83
- Localisation : Saint-Raphaël (Var)
Re: une Indy 4.2l au garage
Complimenti pour cette belle Indy, une grande Maserati et même "una Maserati grande" !!
"quando turbo spira ...", Dante Alighieri dans "La Divina Commedia"
Re: une Indy 4.2l au garage
Bienvenue avec ton Indy
Il y a très peu de classiques ici et c’est un vrai plaisir d’en accueillir une de plus.
Félicitations.
Il y a très peu de classiques ici et c’est un vrai plaisir d’en accueillir une de plus.
Félicitations.
4.24v / Si 2500 / 222 SE
- PhilDW
- 4 cylindres
- Messages : 449
- Inscription : mer. 31 août 2016 23:41
- Localisation : 0
- Localisation : Arlon (sud de la Belgique) près du Luxembourg et la France
Re: une Indy 4.2l au garage
Bienvenue à toi et cette belle Indy très rare et de la grande époque Maserati.
Re: une Indy 4.2l au garage
Belle auto ... je pense peut être refaire ma grange et acquérir une Indy America, que sont les points à regarder, c'est fiable comme auto (on peut faire 600km d'un coup avec?
)
- Froggie
- W16
- Messages : 9023
- Inscription : jeu. 12 oct. 2017 23:50
- Localisation : 0
- Localisation : Bruxelles, Belgique
Re: une Indy 4.2l au garage
Fiable, fiable... on parle d'un véhicule de près de 50 ans quand mêmeTinker a écrit :Belle auto ... je pense peut être refaire ma grange et acquérir une Indy America, que sont les points à regarder, c'est fiable comme auto (on peut faire 600km d'un coup avec?)
Oui il y a bcp de points à vérifier avant l'achat pour ne pas tomber dans un puits de réparations sans fond...
Si tu as un projet, ouvre ton propre fil pour le faire avancer.
Il y a une épidémie d'Indy en ce moment
-
Maseratrident
- Monocylindre
- Messages : 31
- Inscription : lun. 2 déc. 2019 15:37
- Localisation : 38
Re: une Indy 4.2l au garage
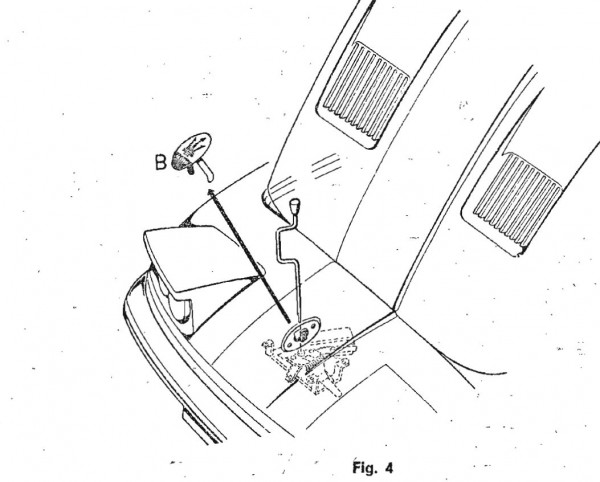
je continue ma découverte de la voiture, en regardant comment fonctionne le mecanisme de secours d'ouverture des phares (lorsque la fonction electrico - pneumatique - est en panne )
le manuel "early " precise qu'il existe une manivelle qui permet d'activer un mecanisme auquel on peut acceder sous le badge
une fois le badge enlevé :
on devine un trou dans lequel il faut enficher la manivelle ...
... que je n'ai pas j'ai pas ! elle serait située "on the tunnel free space" : comprenne qui pourra
Froggie, sur sa 4,7l plus "recente" (ou moins 'early') a une grosse molette sous le parechoc av
coté vitres electriques, il y a aussi une manivelle de secours pour actionner un mecanisme :
et celle là je l'ai trouvée aux USA
le manuel "early " precise qu'il existe une manivelle qui permet d'activer un mecanisme auquel on peut acceder sous le badge
une fois le badge enlevé :
on devine un trou dans lequel il faut enficher la manivelle ...
... que je n'ai pas j'ai pas ! elle serait située "on the tunnel free space" : comprenne qui pourra
Froggie, sur sa 4,7l plus "recente" (ou moins 'early') a une grosse molette sous le parechoc av
coté vitres electriques, il y a aussi une manivelle de secours pour actionner un mecanisme :
et celle là je l'ai trouvée aux USA
-
Maseratrident
- Monocylindre
- Messages : 31
- Inscription : lun. 2 déc. 2019 15:37
- Localisation : 38
Re: une Indy 4.2l au garage
Bonne année à tous !
- Froggie
- W16
- Messages : 9023
- Inscription : jeu. 12 oct. 2017 23:50
- Localisation : 0
- Localisation : Bruxelles, Belgique
Re: une Indy 4.2l au garage
D'après le manuel early, ce qui est situé sur le "tunnel free space" c'est la manette de secours pour les vitres électriques!Maseratrident a écrit :
... que je n'ai pas j'ai pas ! elle serait située "on the tunnel free space" : comprenne qui pourra
Mais apparemment, celle-là tu l'as trouvée
D'après la photo de manivelle postée par Maseratrident, tu dois pouvoir fabriquer un outil ad-hoc si tu n'en trouves pas
-
Maseratrident
- Monocylindre
- Messages : 31
- Inscription : lun. 2 déc. 2019 15:37
- Localisation : 38
Re: une Indy 4.2l au garage
non , c'est bien la manivelle des phares qui est dans le "tunnel free space"
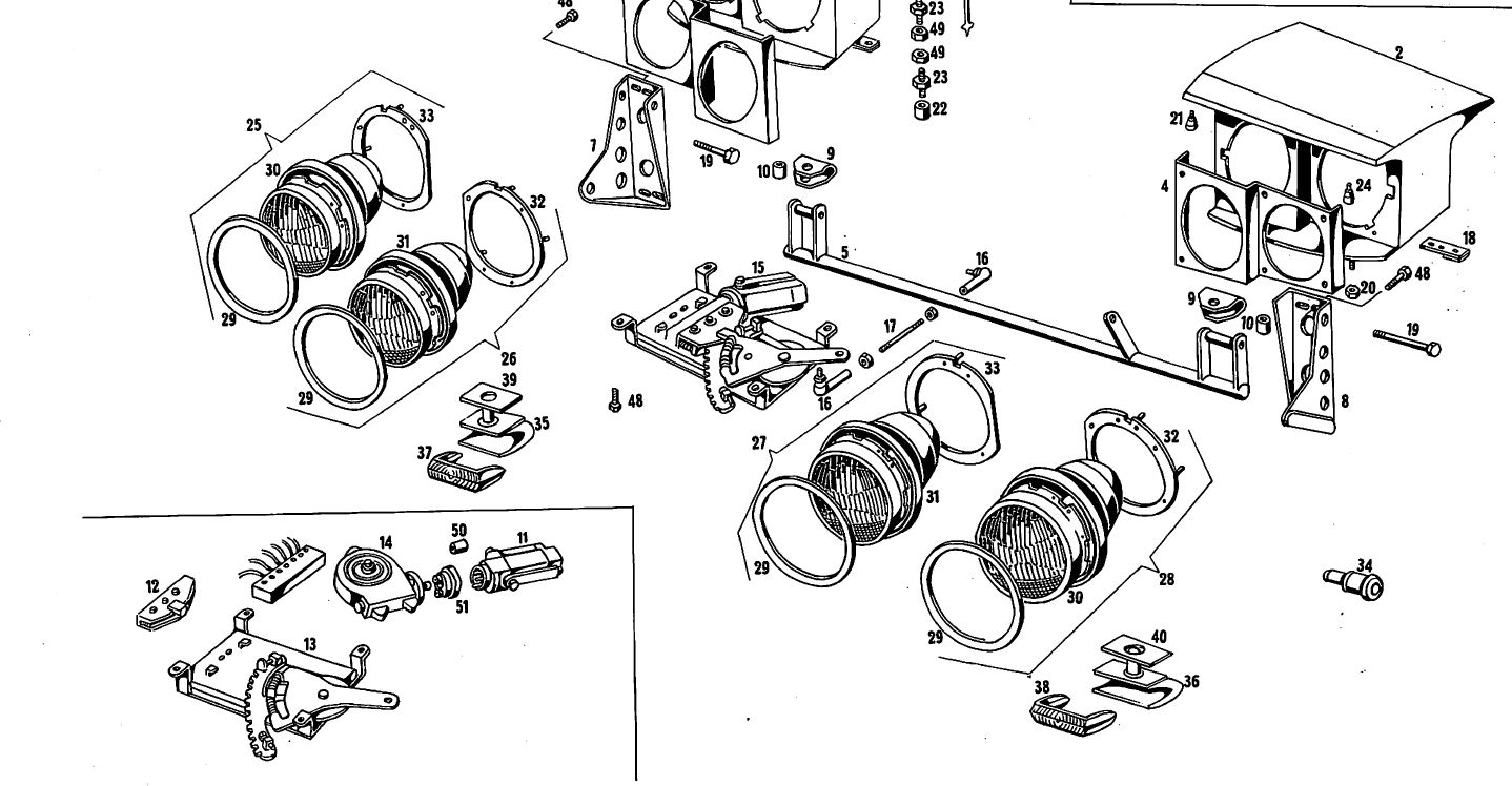
et voilà le mecanisme de sortie des phares
- plm
- W18
- Messages : 10374
- Inscription : sam. 26 déc. 2015 12:43
- Localisation : 51
- Localisation : Muizon (Reims)
Re: une Indy 4.2l au garage
Bon, c'est où le "tunnel free space"?.
Soit l'espace libre autour du levier de vitesse (ça ferait négligé), dans le vide poche entre les sièges avant (derrière le levier de vitesses)?,
soit le vide poches à l'arrière, entre les baquets arrières?.
Probable que l'élément n'y soit plus depuis belle lurette, mais sait on jamais...
Soit l'espace libre autour du levier de vitesse (ça ferait négligé), dans le vide poche entre les sièges avant (derrière le levier de vitesses)?,
soit le vide poches à l'arrière, entre les baquets arrières?.
Probable que l'élément n'y soit plus depuis belle lurette, mais sait on jamais...
-
Maseratrident
- Monocylindre
- Messages : 31
- Inscription : lun. 2 déc. 2019 15:37
- Localisation : 38
Re: une Indy 4.2l au garage
effectivement elle n'est pas dans les endroits que tu cites
et je pense qu'elle ne rentrerait pas parce qu'à mon avis elle doit faire au moins 35cm par 10-12
ou alors dans le compartiment moteur ?
je vais poser la question sur le fil du forum FerrariChat aux USA, peut etre qqu'un en a t il vu la couleur ?
et je pense qu'elle ne rentrerait pas parce qu'à mon avis elle doit faire au moins 35cm par 10-12
ou alors dans le compartiment moteur ?
je vais poser la question sur le fil du forum FerrariChat aux USA, peut etre qqu'un en a t il vu la couleur ?




